Yamaha ET340TL (ENTICER 340T (LONG TRACK)) 1987 GENERATOR Diagram
#
Description
Price
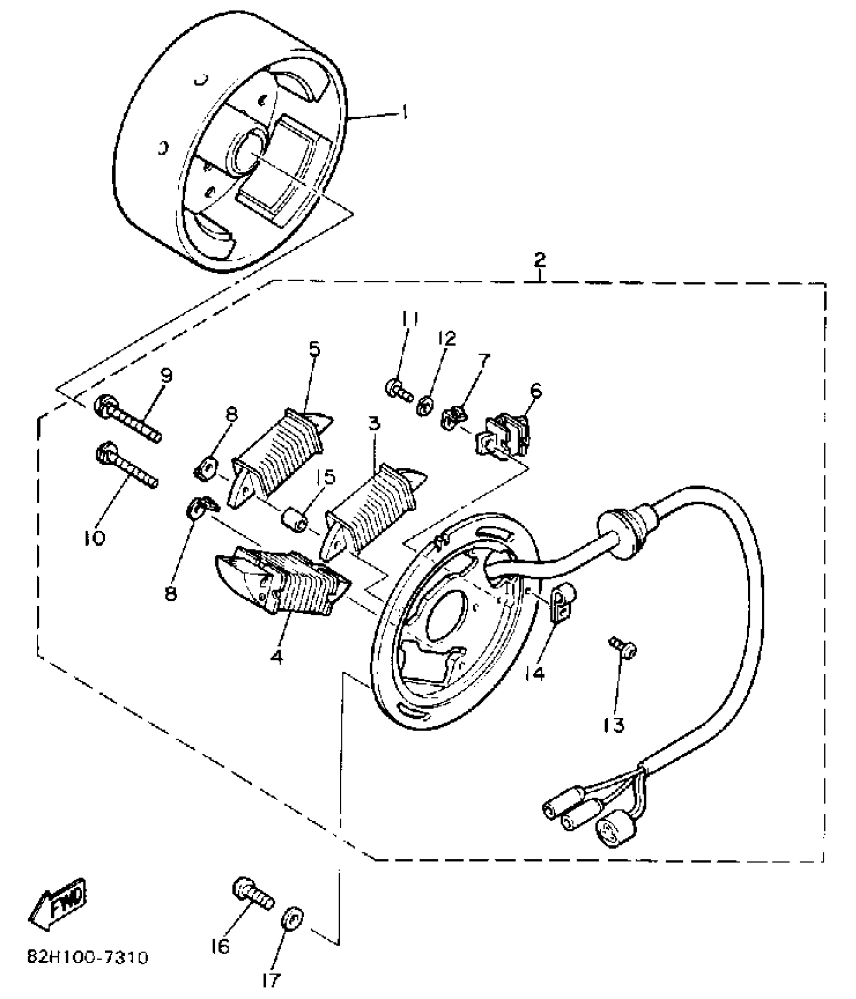
3
COIL, CHARGE
81L-85520-M0-00
Unavailable
5
COIL, LIGHTING 2
81L-81314-M0-00
Unavailable
6
PULSER ASSY
8R4-85580-M0-00
Unavailable
7
. TERMINAL, EARTH 1
8R4-85568-M0-00
Unavailable
8
. TERMINAL, EARTH 2
8R4-85569-M0-00
Unavailable
11
SCREW, PAN HEAD
98511-04012-00
Unavailable
14
CLAMP (2T4)
90461-05036-00
Unavailable
16
SCREW, BIND (705)
98980-06016-00
Unavailable
17
WASHER, PLATE 6261117600
90201-06043-00
Unavailable
