- Partiron
- OEM Parts
- Yamaha
- snowmobile
- 1985
- ET340TJ (ENTICER 340T (LONG TRACK)) 1985
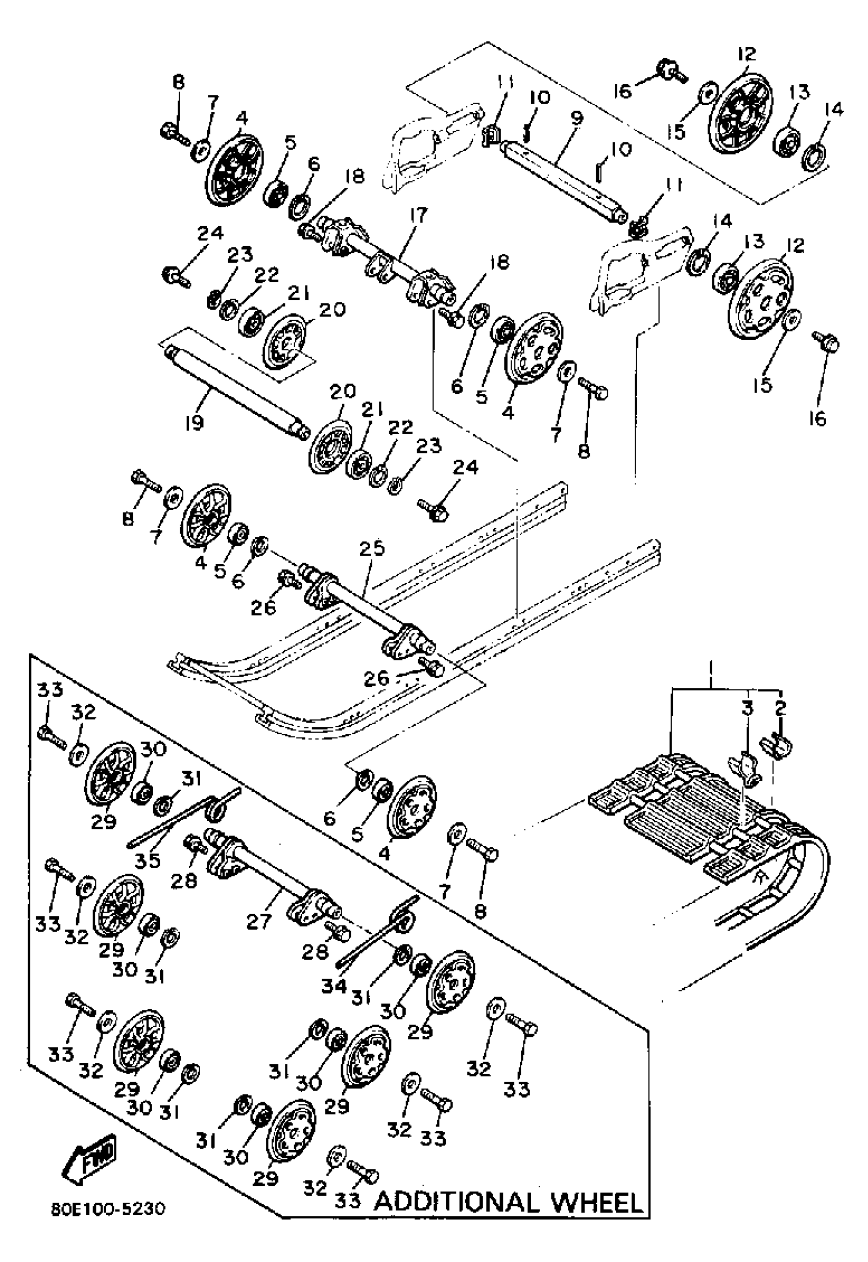
TRACK SUSPENSION 1 ET340TJ
Yamaha ET340TJ (ENTICER 340T (LONG TRACK)) 1985 TRACK SUSPENSION 1 ET340TJ Diagram
#
Description
Price
1
TRACK ASY
8BH-47110-00-00
Unavailable
3
METAL, SLIDE
8A5-47115-00-00
Unavailable
9
AXLE, REAR
8E3-47521-00-00
Unavailable
10
PIN, SPRING (663)
91690-40040-00
Unavailable
11
WASHER
8E3-47384-00-00
Unavailable
16
BOLT, FLANGE(8AB)
95817-08020-00
Unavailable
17
BAR, SUSPENSION
8V5-47451-00-00
Unavailable
18
BOLT, WITH WASHER
90119-08008-00
Unavailable
19
IDLER
8L1-47461-00-00
Unavailable
20
SUSPENSION WHEEL COMP.
8H8-47320-00-00
Unavailable
23
CIRCLIP(1AR)
99009-20400-00
Unavailable
24
BOLT, FLANGE(8AB)
95817-08020-00
Unavailable
25
BAR, SUSPENSION
8T9-47451-00-00
Unavailable
26
BOLT(21W)
97017-06035-00
Unavailable
27
BAR, SUSPENSION
8T9-47451-00-00
Unavailable
28
BOLT(21W)
97017-06035-00
Unavailable
34
SPRING, TORSION
90508-99649-00
Unavailable
35
SPRING, TORSION
90508-99650-00
Unavailable
