- Partiron
- OEM Parts
- Yamaha
- snowmobile
- 1985
- ET340TJ (ENTICER 340T (LONG TRACK)) 1985
STEERING ET340TK
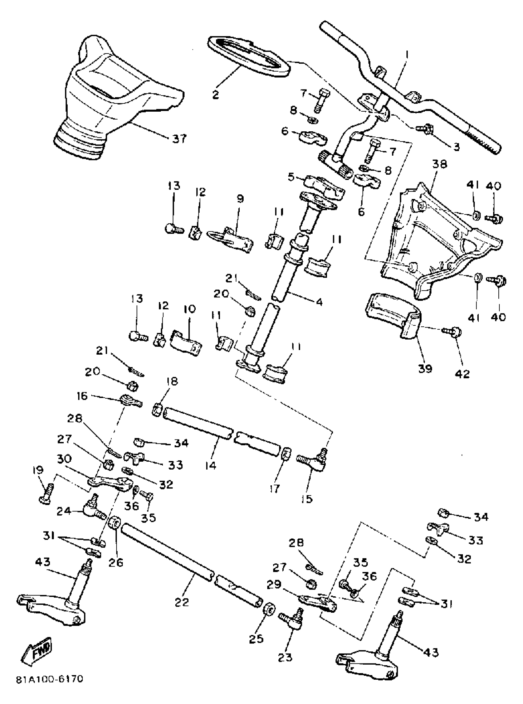
Yamaha ET340TJ (ENTICER 340T (LONG TRACK)) 1985 STEERING ET340TK Diagram
#
1
COLUMN,STEERING
80Y-23811-00-00
Unavailable
2
BRACKET 10
8V0-23878-00-00
Unavailable
4
COLUMN, STEERING 2
8W6-23813-00-00
Unavailable
5
HANDLE, HOLDER
164-23441-01-98
Unavailable
9
HOLDER, BEARING
84M-23872-00-00
Unavailable
10
BRACKET, STEERING LOWER
84M-23868-00-00
Unavailable
11
BEARING, STEERING
8F3-23812-00-00
Unavailable
14
ROD,STEERING RELAY
87F-23821-00-00
Unavailable
16
JOINT, UNIVERSAL 3
87S-23847-01-00
Unavailable
17
UNAVAILABLE IN PRICE BOOK (95302-10700)
95301-01700-00
Unavailable
18
NUT, HEXAGON (8A5)
90170-10186-00
Unavailable
19
BOLT
90109-10482-00
Unavailable
20
NUT, NYLON
95707-10300-00
Unavailable
21
PIN, COTTER
91490-20025-00
Unavailable
22
ROD, TIE
8G8-23831-00-00
Unavailable
24
JOINT, UNIVERSAL 2
86X-23845-00-00
Unavailable
25
NUT (682)
95380-10700-00
Unavailable
26
NUT, HEXAGON (8A5)
90170-10186-00
Unavailable
27
NUT, NYLON
95707-10300-00
Unavailable
28
PIN, COTTER
91490-20025-00
Unavailable
29
ARM, OUTSIDE 1
8F3-23851-00-00
Unavailable
30
ARM, OUTSIDE 2
8F3-23852-00-00
Unavailable
31
WASHER, WAVE (878)
90206-20037-00
Unavailable
32
WASHER, PLATE (3J6)
90201-100A1-00
Unavailable
33
WASHER, LOCK
90215-10096-00
Unavailable
34
NUT(3BM)
95314-10600-00
Unavailable
35
BOLT, HEXAGON
97017-08025-00
Unavailable
37
PAD, STEERING
8L8-23815-01-00
Unavailable
38
. PAD, STEERING
8L8-23817-02-00
Unavailable
39
COVER, STEERING
8Y0-23818-00-00
Unavailable
40
SCREW, PAN HEAD W/WASHER
97607-05112-00
Unavailable
41
WASHER, PLATE 8067717800
90201-05029-00
Unavailable
42
SCREW, PAN HEAD WITH WASHER
97607-04314-00
Unavailable
43
COLUMN, SKI 1
8F3-23853-00-00
Unavailable
