- Partiron
- OEM Parts
- Yamaha
- snowmobile
- 1985
- ET340TJ (ENTICER 340T (LONG TRACK)) 1985
STEERING ET340TJ
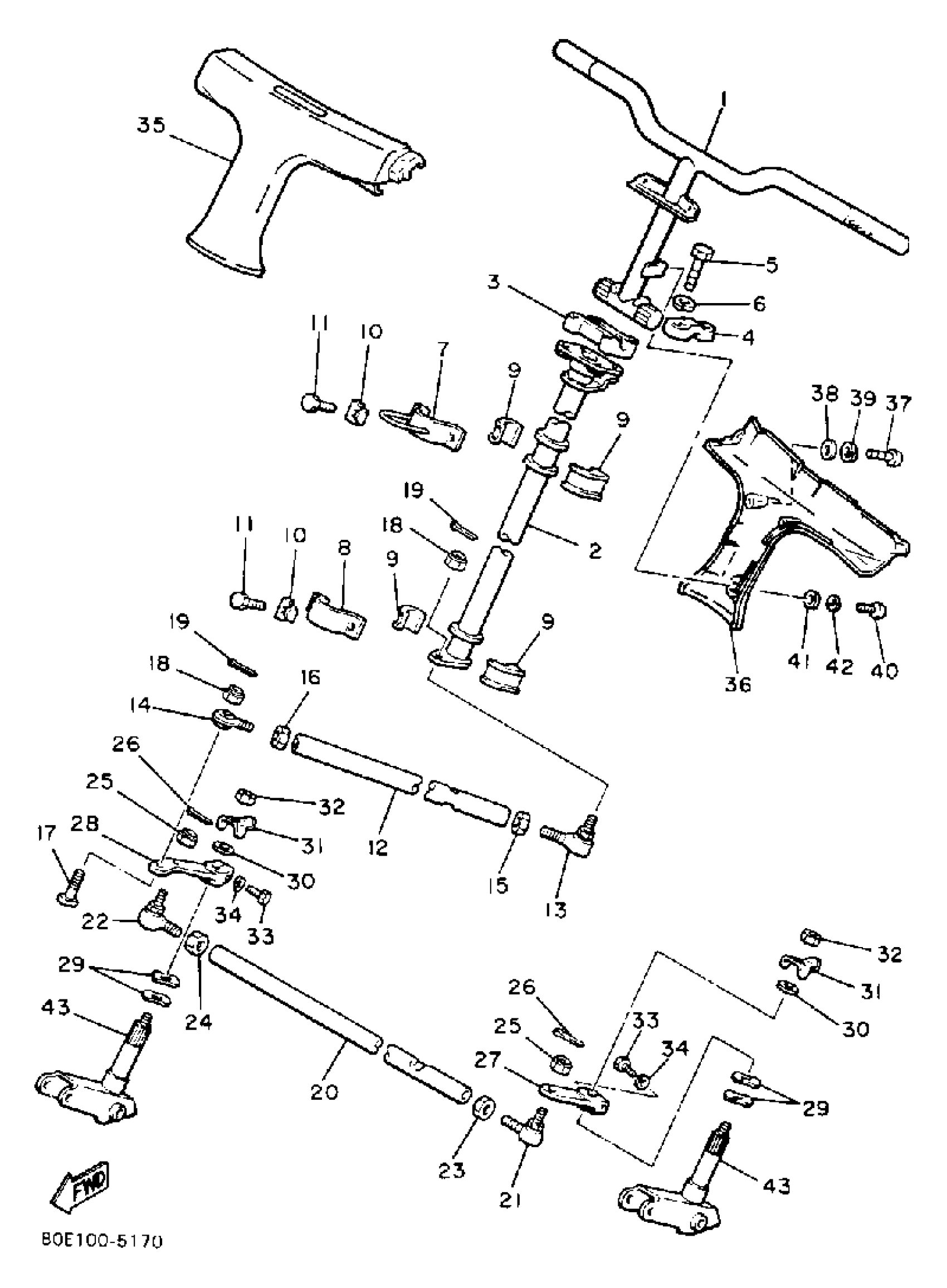
Yamaha ET340TJ (ENTICER 340T (LONG TRACK)) 1985 STEERING ET340TJ Diagram
#
1
COLUMN, STEERING
8W6-23811-00-00
Unavailable
2
COLUMN, STEERING 2
8W6-23813-00-00
Unavailable
3
HANDLE, HOLDER
164-23441-01-98
Unavailable
7
HOLDER, BEARING
84M-23872-00-00
Unavailable
8
BRACKET, STEERING LOWER
84M-23868-00-00
Unavailable
9
BEARING, STEERING
8F3-23812-00-00
Unavailable
12
ROD,STEERING RELAY
87F-23821-00-00
Unavailable
15
NUT (682)
95380-10700-00
Unavailable
16
NUT, HEXAGON (8A5)
90170-10186-00
Unavailable
17
BOLT
90109-10482-00
Unavailable
18
NUT, NYLON
95707-10300-00
Unavailable
19
PIN, COTTER
91490-20025-00
Unavailable
20
ROD, TIE
8G8-23831-00-00
Unavailable
21
JOINT, UNIVERSAL 2
86X-23845-00-00
Unavailable
22
JOINT, UNIVERSAL 2
86X-23845-00-00
Unavailable
23
NUT (682)
95380-10700-00
Unavailable
24
NUT, HEXAGON (8A5)
90170-10186-00
Unavailable
25
NUT, NYLON
95707-10300-00
Unavailable
26
PIN, COTTER
91490-20025-00
Unavailable
27
ARM, OUTSIDE 1
8F3-23851-00-00
Unavailable
28
ARM, OUTSIDE 2
8F3-23852-00-00
Unavailable
29
WASHER, WAVE (878)
90206-20037-00
Unavailable
30
WASHER, PLATE (3J6)
90201-100A1-00
Unavailable
31
WASHER, LOCK
90215-10096-00
Unavailable
32
NUT(3BM)
95314-10600-00
Unavailable
33
BOLT, HEXAGON
97017-08025-00
Unavailable
35
PAD, STEERING
8W9-23815-00-00
Unavailable
36
PAD,STEERING
88E-23817-00-00
Unavailable
37
SCREW, PAN HEAD
98517-05030-00
Unavailable
38
WASHER(1RW)
92907-05600-00
Unavailable
39
WASHER(3SX)
92907-05100-00
Unavailable
40
GASKET, EXHAUST
98507-05008-00
Unavailable
41
WASHER, PLAIN LARGE
92907-05200-00
Unavailable
42
WASHER(3SX)
92907-05100-00
Unavailable
43
COLUMN, SKI 1
8F3-23853-00-00
Unavailable
