- Partiron
- OEM Parts
- Yamaha
- snowmobile
- 1985
- ET340TJ (ENTICER 340T (LONG TRACK)) 1985
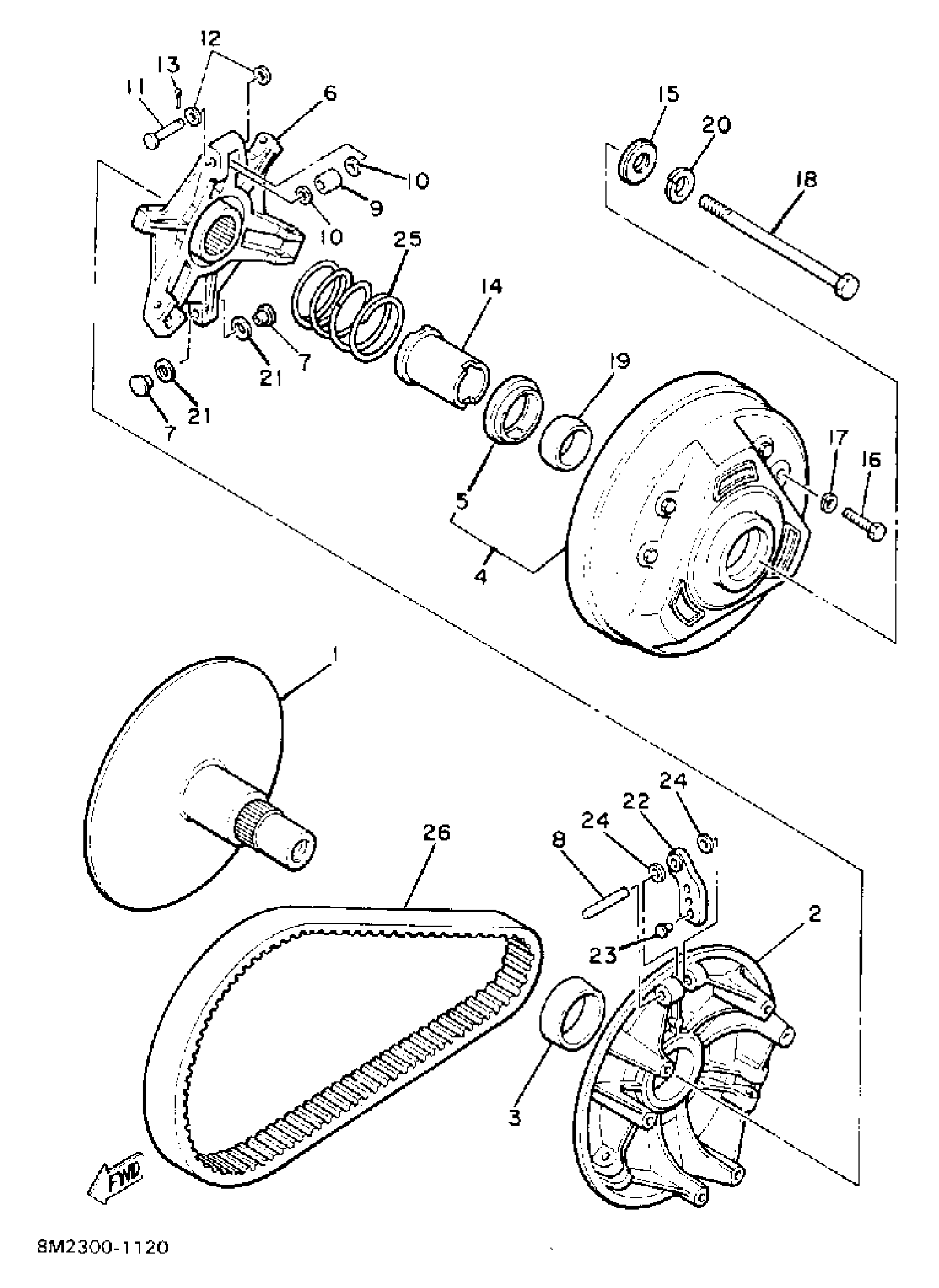
PRIMARY SHEAVE
Yamaha ET340TJ (ENTICER 340T (LONG TRACK)) 1985 PRIMARY SHEAVE Diagram
#
Description
Price
1
PRI. FIXED SHEAVE
8H8-W1761-00-00
Unavailable
2
SHEAVE, PRI SLIDING
8E7-17621-01-00
Unavailable
3
BUSH, SPEC''L SHAPE
90389-41018-00
Unavailable
4
PRI. SHEAVE CAP
8E7-W1762-00-00
Unavailable
5
SEAT, SPRING
8E7-17644-02-00
Unavailable
6
SPIDER
8A7-17627-00-00
Unavailable
14
COLLAR
90387-28721-00
Unavailable
15
SPACER 1
8J0-17654-00-00
Unavailable
16
BOLT(JF7)
97080-06030-00
Unavailable
17
WASHER, SPRING
92995-06100-00
Unavailable
18
BOLT
90101-13406-00
Unavailable
19
. BUSH, SPEC''L SHAPE
90389-34019-00
Unavailable
20
WASHER, SPRING
90204-13010-00
Unavailable
21
WASHER, PLATE (8K2)
90201-090A4-00
Unavailable
22
WEIGHT 1
8G8-17632-00-00
Unavailable
23
RIVET, COUNTER SUNK (8G8)
90261-06017-00
Unavailable
24
WASHER, PLATE(8E7)
90201-07641-00
Unavailable
25
SPRING, COMPRESSION
90501-50500-00
Unavailable
26
V-BELT
820-17641-01-00
Unavailable
