- Partiron
- OEM Parts
- Yamaha
- snowmobile
- 1982
- ET340TF 1982
TRACK SUSPENSION 1 ET340TF - TG
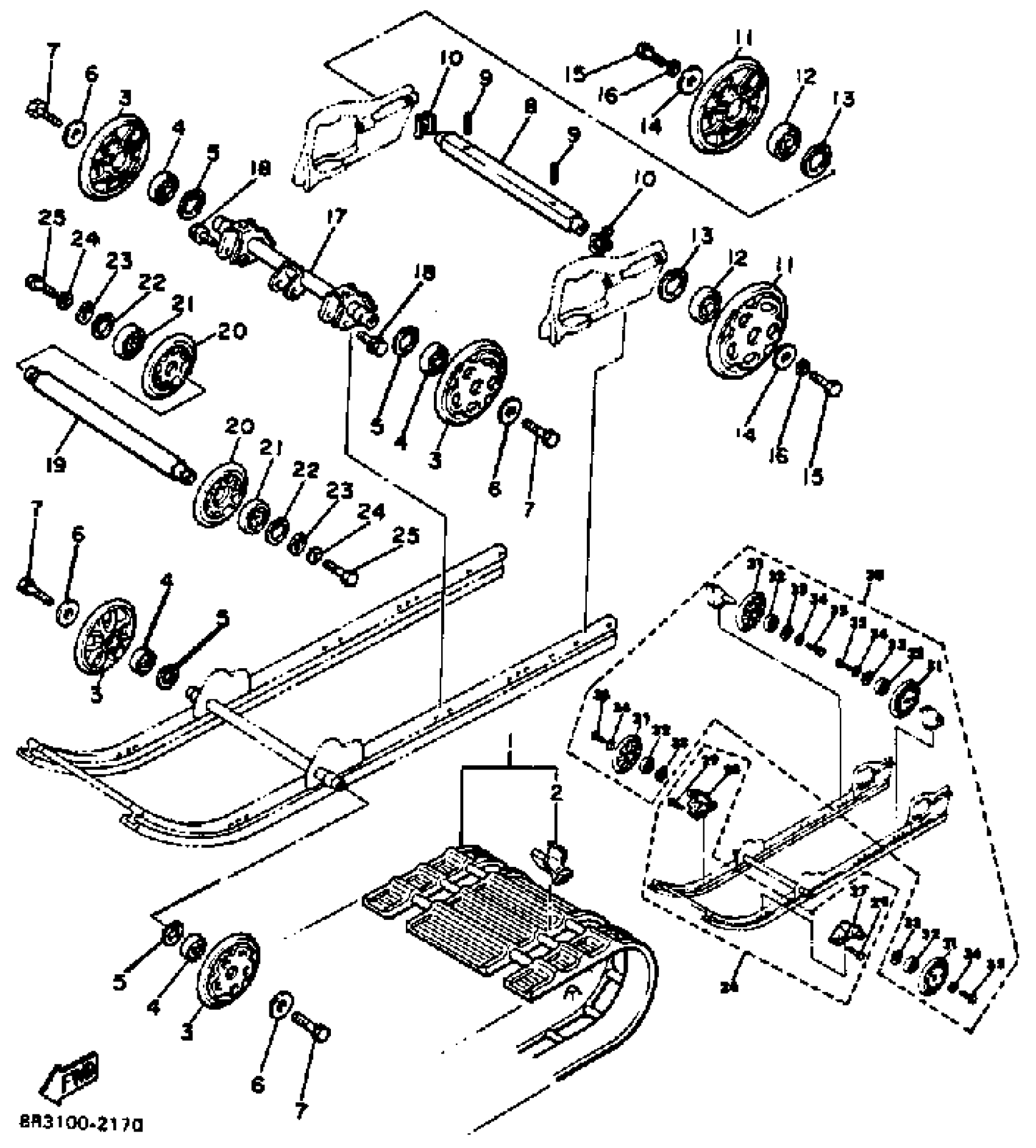
Yamaha ET340TF 1982 TRACK SUSPENSION 1 ET340TF - TG Diagram
#
Description
Price
1
TRACK ASSEMBLY
(8L1-47110-00-00)
Unavailable
2
METAL, SLIDE
8A5-47115-00-00
Unavailable
8
AXLE, REAR
8E3-47521-00-00
Unavailable
9
PIN, SPRING (663)
91690-40040-00
Unavailable
10
WASHER
8E3-47384-00-00
Unavailable
16
YBS67-8 WASHER, SPRING
92990-08100-00
Unavailable
17
BAR, SUSPENSION
8V5-47451-00-00
Unavailable
18
BOLT, WITH WASHER
90119-08008-00
Unavailable
19
IDLER
8L1-47461-00-00
Unavailable
20
SUSPENSION WHEEL COMP.
8H8-47320-00-00
Unavailable
23
CIRCLIP(1AR)
99009-20400-00
Unavailable
24
WASHER (688)
92990-08400-00
Unavailable
25
BOLT(JA9)
90101-08691-00
Unavailable
26
BRACKET KIT
8R3-47000-10-00
Unavailable
27
. BRACKET 4
8M2-47418-00-00
Unavailable
28
. BRACKET 7
8M2-47419-00-00
Unavailable
29
BOLT(21W)
97017-06035-00
Unavailable
30
SUS.WHEEL KIT
8N5-47000-00-00
Unavailable
