- Partiron
- OEM Parts
- Yamaha
- snowmobile
- 1986
- ET340K (ENTICER 340) 1986
ENGINE BRACKET
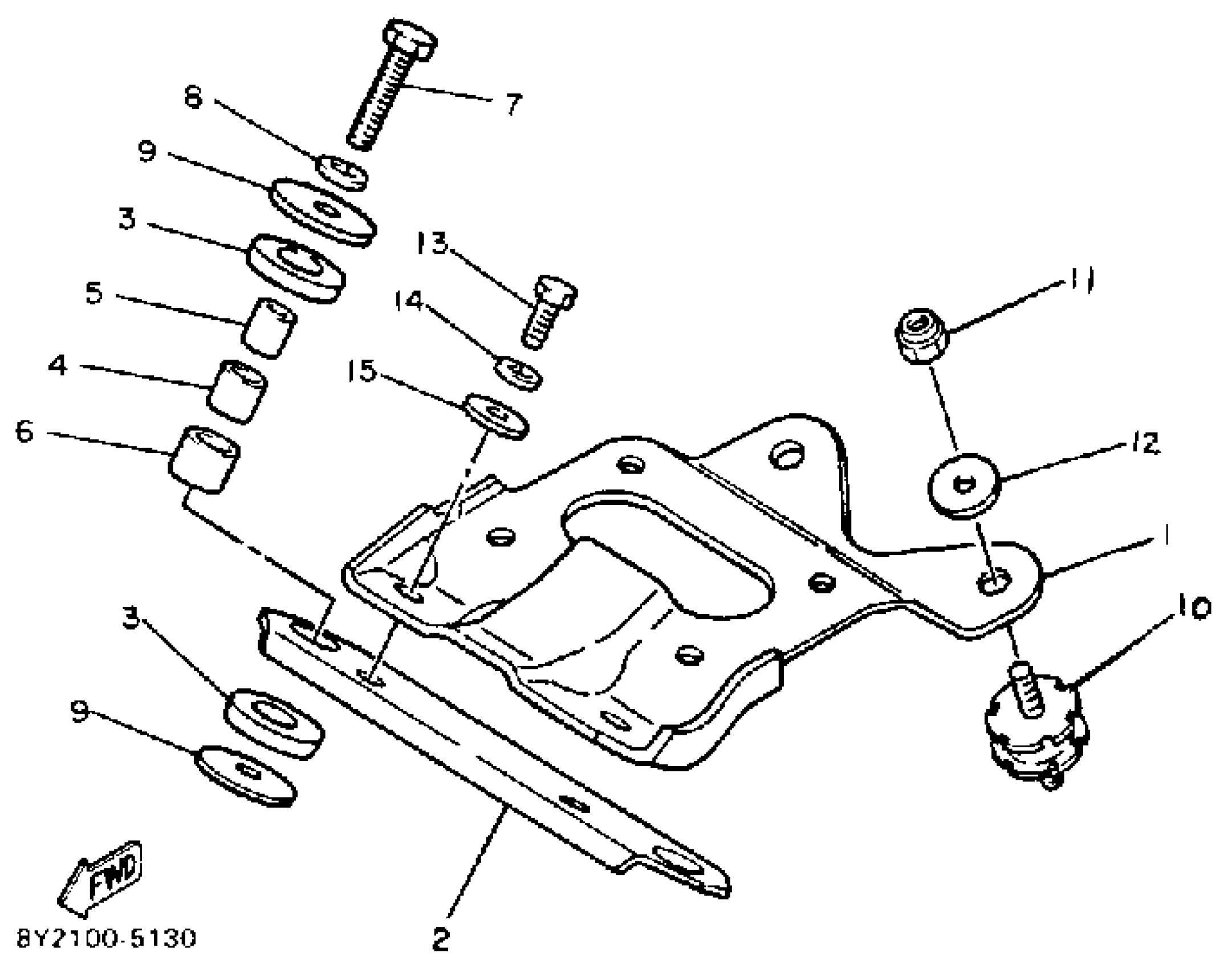
Yamaha ET340K (ENTICER 340) 1986 ENGINE BRACKET Diagram
#
Description
Price
1
BRACKET, ENGINE 1
8G8-21411-00-00
Unavailable
2
BRACKET, ENGINE 2
8G8-21419-00-00
Unavailable
3
DAMPER, RUBBER 1
8V0-21485-00-00
Unavailable
4
BUSH, SPEC''L RUBBER
90385-15025-00
Unavailable
5
COLLAR
90387-10514-00
Unavailable
6
COLLAR
90387-21515-00
Unavailable
7
BOLT,HEXAGON(676)
97013-10050-00
Unavailable
9
WASHER (888)
90201-10151-00
Unavailable
