- Partiron
- OEM Parts
- Yamaha
- snowmobile
- 1982
- ET340F 1982
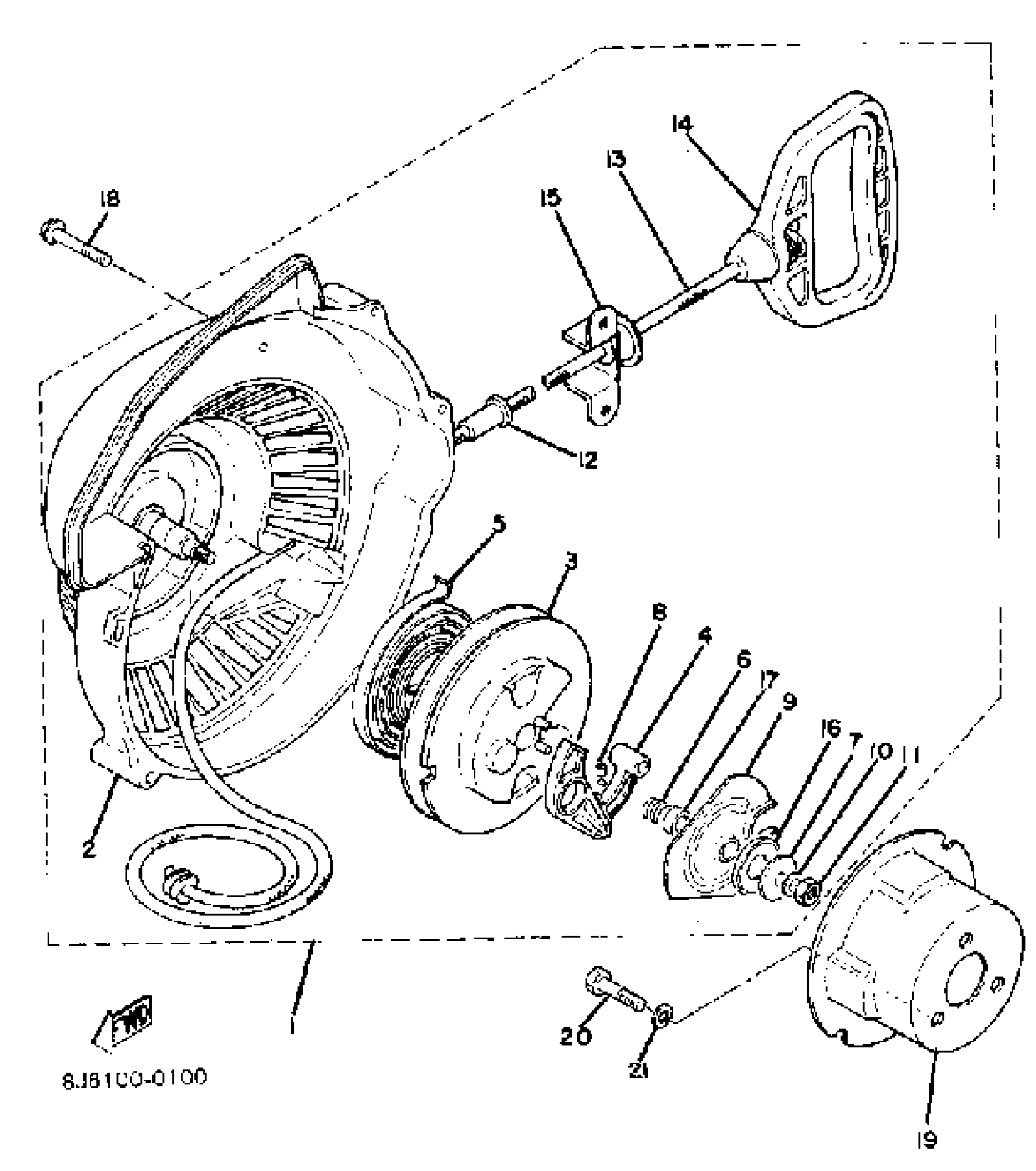
STARTER
Yamaha ET340F 1982 STARTER Diagram
#
Description
Price
1
STARTER ASSEMBLY
8G8-15710-01-00
Unavailable
2
. CASE, STARTER
8G8-15711-01-00
Unavailable
10
WASHER, SPRING
92995-06100-00
Unavailable
15
HOLDER, HANDLE
8F3-15788-01-00
Unavailable
16
WASHER, THRUST
8G5-15739-00-00
Unavailable
17
COLLOR
82M-15779-00-00
Unavailable
18
BOLT, FLANGE
95817-06045-00
Unavailable
19
PULLEY, STARTER
8G8-15723-00-00
Unavailable
20
BOLT, HEXAGON
97017-08016-00
Unavailable
21
YBS67-8 WASHER, SPRING
92990-08100-00
Unavailable
