- Partiron
- OEM Parts
- Yamaha
- snowmobile
- 1982
- ET340F 1982
C - D - I - MAGNETO
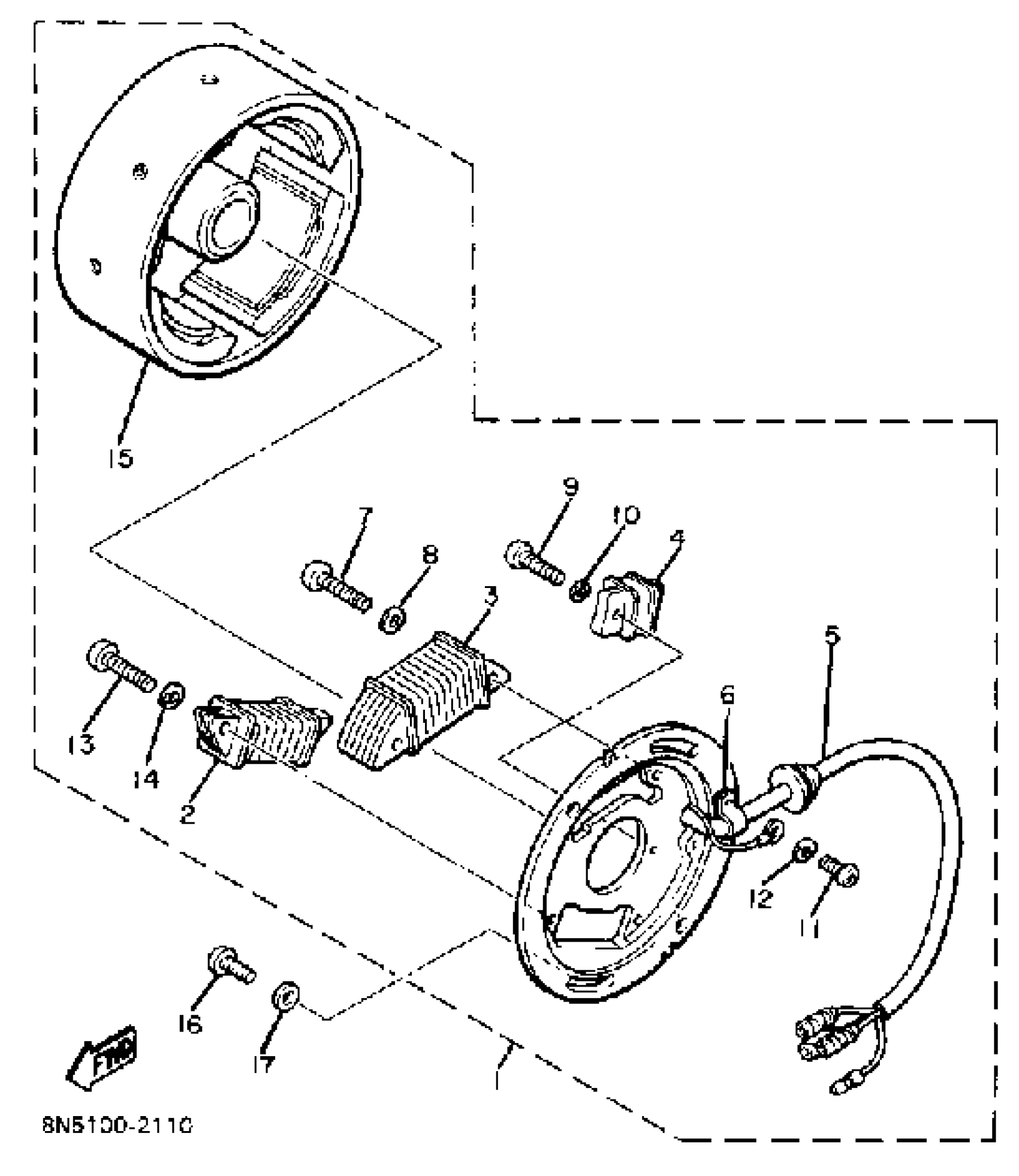
Yamaha ET340F 1982 C - D - I - MAGNETO Diagram
#
Description
Price
1
CDI MAGNETO ASSEMBLY
(8N5-85500-20-00)
Unavailable
2
. COIL SOURCE 1
8N4-85511-20-00
Unavailable
3
. COIL, LIGHTING 1
8G8-85513-20-00
Unavailable
4
. COIL, PULSER (8N5-85580-20)
82M-85580-20-00
Unavailable
5
LEAD WIRE ASSEMBLY
(8N5-85515-20-00)
Unavailable
15
. ROTOR ASSEMBLY (8K1-85550-20)
8J9-85550-20-00
Unavailable
16
SCREW, BIND(J39)
98980-06014-00
Unavailable
17
WASHER, PLATE 6261117600
90201-06043-00
Unavailable
