Partiron

Yamaha ET340ED 1980 TACHOMETER Diagram

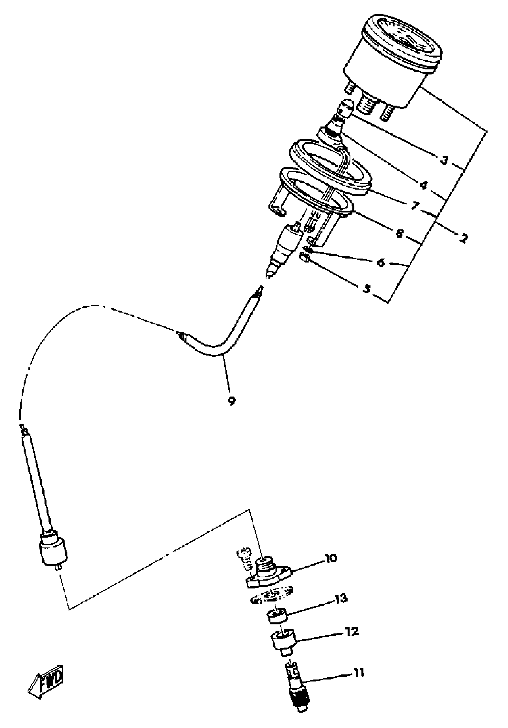
#

Description
Price

1

TACHET300/340BCDED

(ACC-01200-71-00)

Unavailable

2

TACHOMETER ASSEMBLY

8R5-83540-00-00

Unavailable

3

BULB (12V-3.4W)

123-83516-21-00

$4.26

4

SOCKET, METER

(861-83536-40-00)

Unavailable

5

NUT, HEXAGON (663)

95380-05600-00

$8.49

6

YBS67-5 WASHER, SPRING

92990-05100-00

$0.35

6

YBS67-5 WASHER, SPRING

92990-05100-00

$0.35

7

DAMPER, METER

8G6-83523-00-00

Unavailable

8

. BRACKET, METER

8G6-83519-00-00

Unavailable

9

TACHOMETER CABLE

8G6-83560-01-00

Unavailable

10

CAP, HOUSING

821-17819-00-00

Unavailable

11

GEAR, DRIVEN (10T)

813-17841-00-00

Unavailable

12

BUSH, DRIVEN GEAR OUTER

821-17843-00-00

Unavailable

13

OIL SEAL (6X12X4-821)

93104-06033-00

$5.60