- Partiron
- OEM Parts
- Yamaha
- snowmobile
- 1980
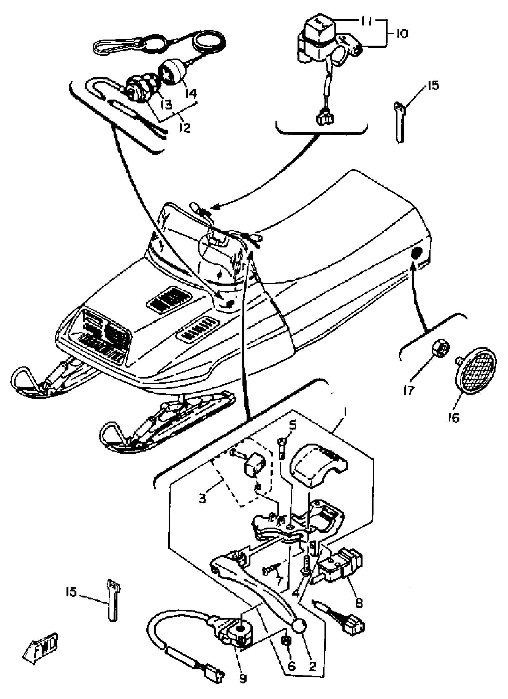
- ET340ED 1980
ELECTRICAL 2
Yamaha ET340ED 1980 ELECTRICAL 2 Diagram
#
Description
Price
1
LEVER HOLDER ASSY (LEFT)
8R4-W8291-02-00
Unavailable
2
LEVER L
803-83912-00-38
Unavailable
3
LEVER LOCK ASSY
8E3-W8393-01-00
Unavailable
7
. SCREW, TAPPING
97780-30312-00
Unavailable
16
REFLECTOR, REAR 1
449-85131-02-00
Unavailable
