- Partiron
- OEM Parts
- Yamaha
- snowmobile
- 1980
- ET340ED 1980
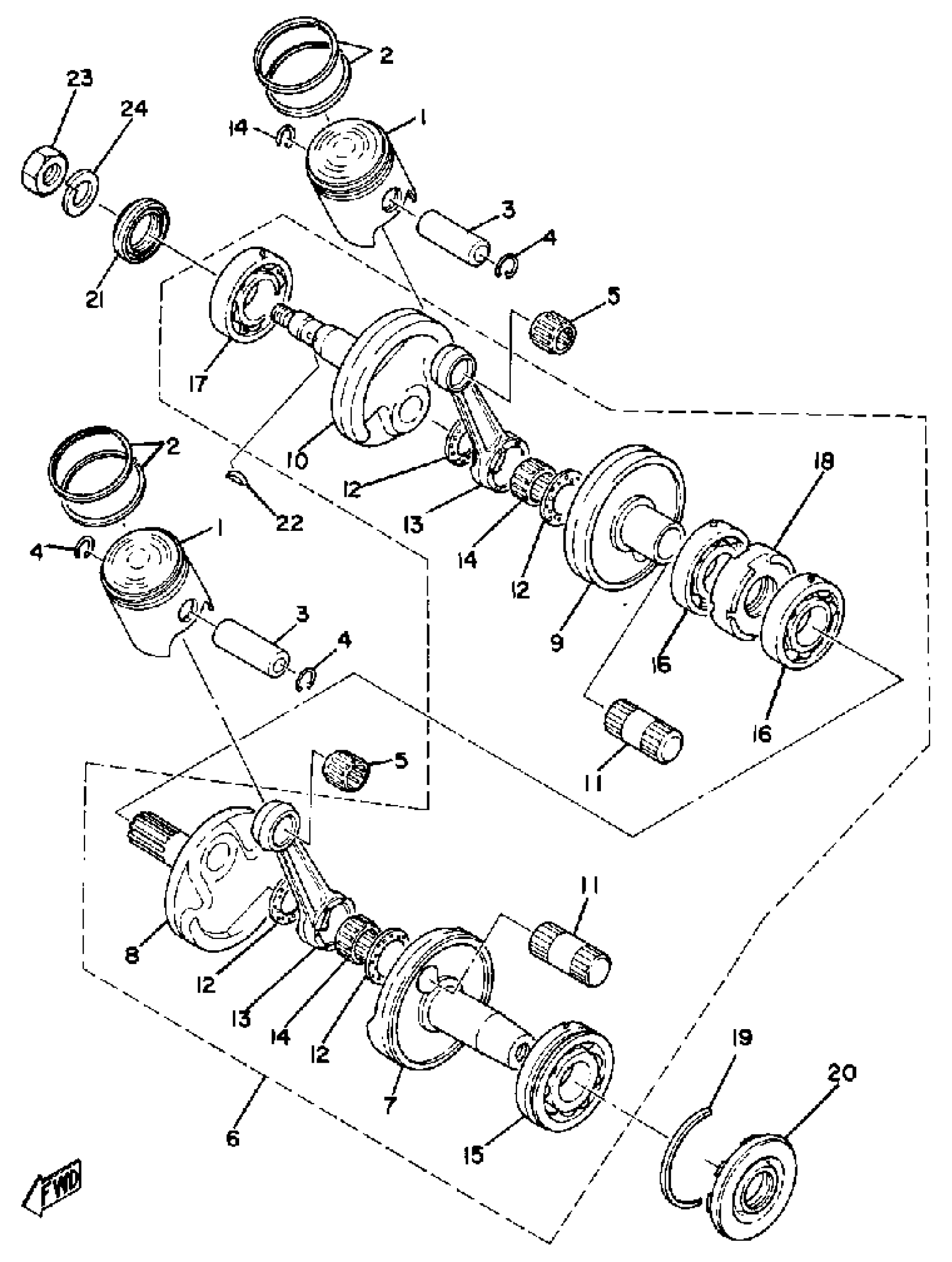
CRANKSHAFT - PISTON
Yamaha ET340ED 1980 CRANKSHAFT - PISTON Diagram
#
1
PISTON (STD)
8G8-11631-01-96
Unavailable
1
PISTON O/S 0.25
8G8-11635-01-00
Unavailable
1
PISTON 2 O/S 0.50
8G8-11636-01-00
Unavailable
1
PISTON 3 O/S 0.75
8G8-11637-00-00
Unavailable
1
PSTN,4 O/S 1.00
8G8-11638-01-00
Unavailable
2
PISTON RING SET (0.25MM O/S)
8G8-11601-10-00
Unavailable
2
PISTON RING SET (0.50MM O/S)
8G8-11601-20-00
Unavailable
2
PISTON RINGSET 3RD
8G8-11601-30-00
Unavailable
2
PISTON RINGSET 4TH
8G8-11601-40-00
Unavailable
6
CRANKSHAFT ASSEMBLY
8L3-11400-00-00
Unavailable
7
. CRANK 1
8G8-11412-01-00
Unavailable
8
CRANK 2
(8G8-11422-00-00)
Unavailable
9
CRANK 3
(8G8-11432-00-00)
Unavailable
10
. CRANK 4
8G8-11442-01-00
Unavailable
11
PIN, CRANK
8G8-11681-00-00
Unavailable
12
WASHER (29L)
90209-22248-00
Unavailable
13
ROD, CONNECTING
34X-11651-00-00
Unavailable
14
BEARING, CYLINDRICAL(3SB)
93310-422C8-00
Unavailable
15
. BEARING (B6306)
93306-30618-00
Unavailable
16
BEARING (8G8)
93306-20617-00
Unavailable
17
BEARING
93306-30571-00
Unavailable
18
. SEAL, LABYRINTH 1
8G8-11515-01-00
Unavailable
19
CIRCLIP (1J7)
93440-72049-00
Unavailable
20
OIL SEAL, SD-TYPE
93102-30184-00
Unavailable
21
OIL SEAL (8G8)
93102-25183-00
Unavailable
22
KEY, WOODRUFF
90280-05001-00
Unavailable
23
NUT
90170-16425-00
Unavailable
24
WASHER(JN5)
92907-16100-00
Unavailable
