- Partiron
- OEM Parts
- Yamaha
- snowmobile
- 1980
- ET340D 1980
TRACK SUPENSION 1
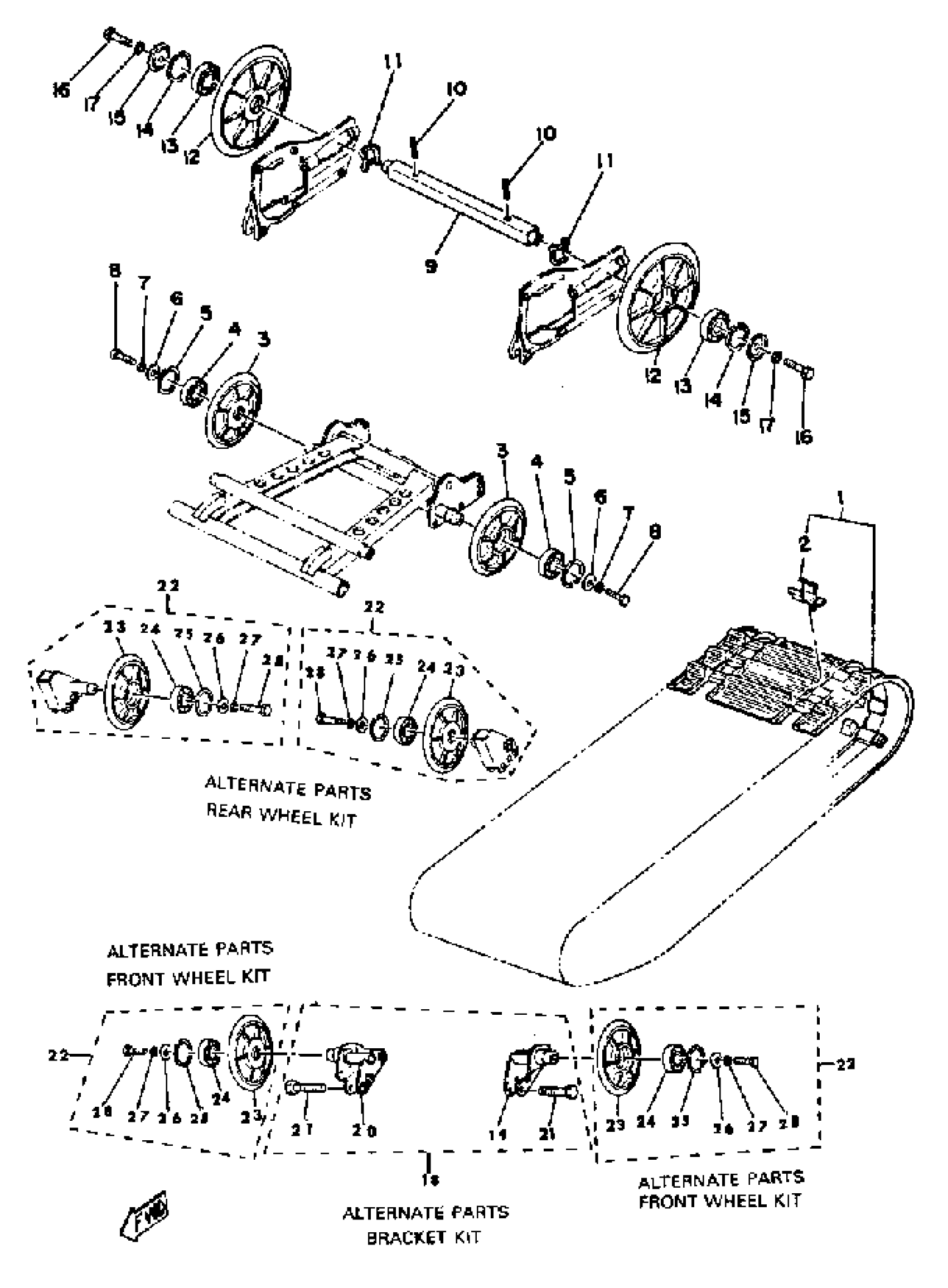
Yamaha ET340D 1980 TRACK SUPENSION 1 Diagram
#
Description
Price
1
TRACK ASY
8J6-47110-02-00
Unavailable
2
METAL, SLIDE
8A5-47115-00-00
Unavailable
6
WASHER, SPEC''L SHAP
90209-06137-00
Unavailable
7
WASHER, SPRING
92995-06100-00
Unavailable
8
BOLT
90109-06464-00
Unavailable
9
AXLE, REAR
8E3-47521-00-00
Unavailable
10
PIN, SPRING (663)
91690-40040-00
Unavailable
11
WASHER
8E3-47384-00-00
Unavailable
15
WASHER, SPEC''L SHAP
90209-08124-00
Unavailable
16
BOLT, HEXAGON
97013-08020-00
Unavailable
17
YBS67-8 WASHER, SPRING
92990-08100-00
Unavailable
18
BRACKET KIT
8G5-47000-10-00
Unavailable
19
. BRACKET 4
8G8-47418-00-00
Unavailable
20
. BRACKET 7
8G8-47419-00-00
Unavailable
21
BOLT(21W)
97017-06035-00
Unavailable
22
IDLER WHEEL KIT
(8G5-47000-00-00)
Unavailable
26
WASHER, SPEC''L SHAP
90209-06137-00
Unavailable
27
WASHER, SPRING
92995-06100-00
Unavailable
28
BOLT
90109-06464-00
Unavailable
