- Partiron
- OEM Parts
- Yamaha
- snowmobile
- 1979
- ET340C 1979
SECONDARY SHEAVE
Yamaha ET340C 1979 SECONDARY SHEAVE Diagram
#
Description
Price
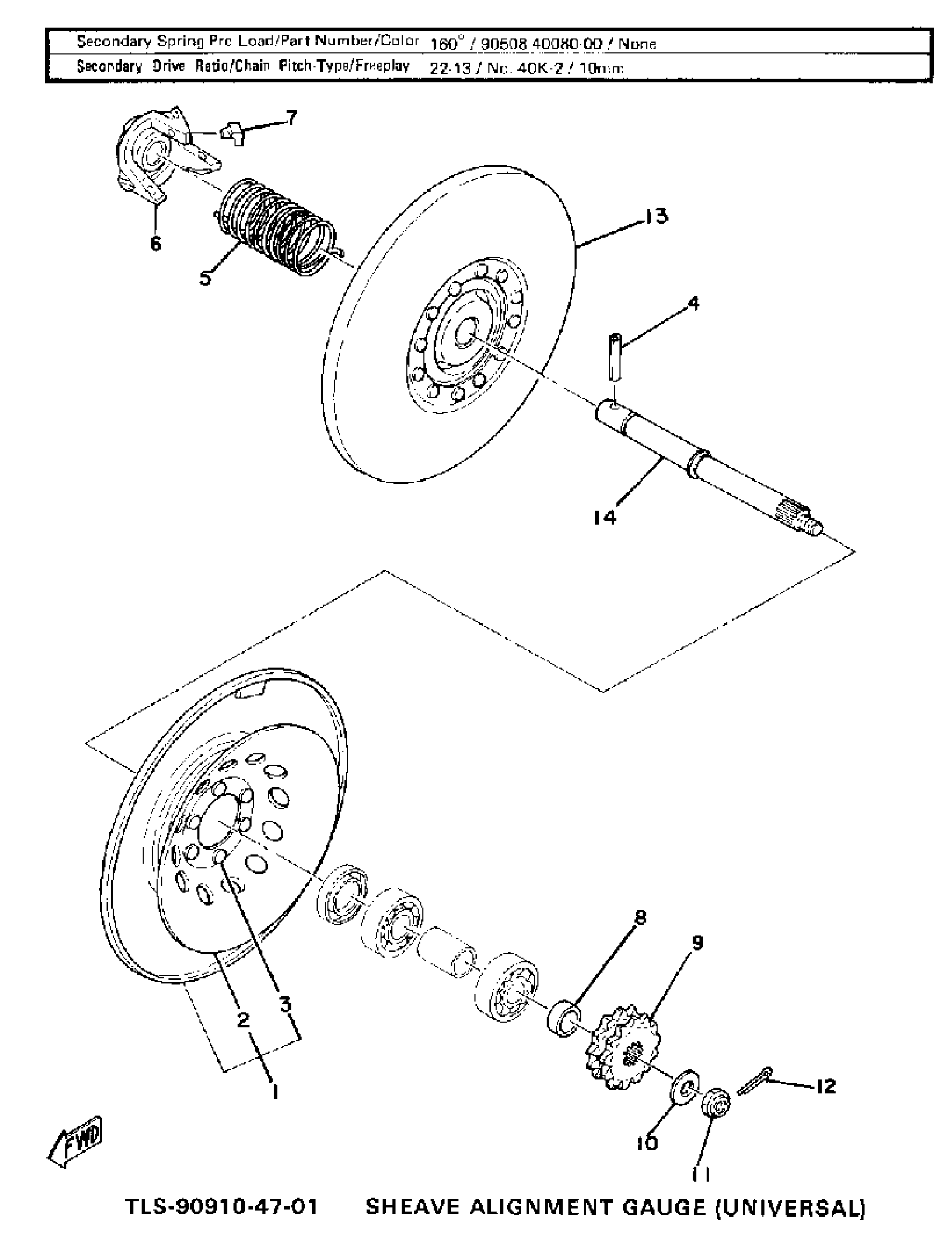
1
SEC FXD SHV
(8G8-17660-00-00)
Unavailable
2
. DISC, BRAKE
8F3-25711-00-00
Unavailable
4
PIN, SPRING TYPE
90254-08001-00
Unavailable
6
SEAT, SEC SPRINGSPRING
810-17684-01-00
Unavailable
7
SHOE, RAMP
801-17688-10-00
Unavailable
8
COLLAR
90387-19649-00
Unavailable
9
SPRKT,CHAIN DR
806-17682-30-00
Unavailable
9
SPROCKET, CHAIN DRIVE (12T)
806-17682-20-00
Unavailable
9
SPROCKET, CHAIN DRIVE (14T)
806-17682-40-00
Unavailable
13
SEC SLIDING SHEAVE
85T-17670-00-00
Unavailable
14
SHAFT, SECONDARY
8G8-17681-02-00
Unavailable
