- Partiron
- OEM Parts
- Yamaha
- snowmobile
- 1978
- ET340B 1978
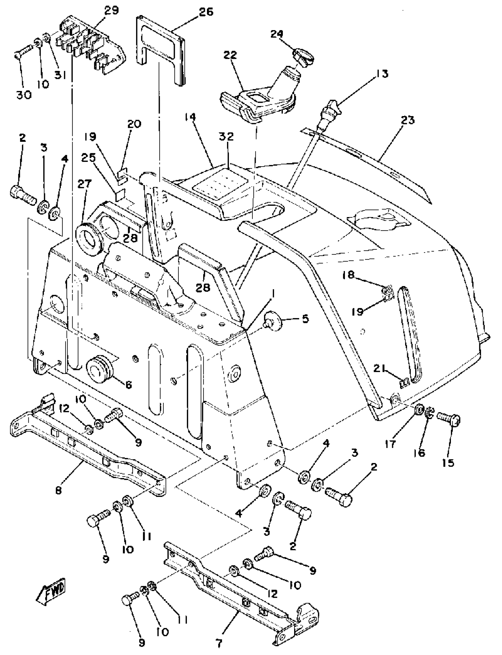
STEERING GATE
Yamaha ET340B 1978 STEERING GATE Diagram
#
Description
Price
1
GATE, STEERING
(8G8-23871-01-00)
Unavailable
4
.. WASHER, PLATE
92990-08600-00
Unavailable
5
PLUG, SPEC''L SHAPE
90338-09085-00
Unavailable
7
BRACKET 13
8G5-23898-00-00
Unavailable
8
BRACKET 14
8G5-23899-00-00
Unavailable
10
WASHER, SPRING
92995-06100-00
Unavailable
13
CABLE, STARTER 1
8G8-26331-00-00
Unavailable
14
PANEL, INSTRUMENT
8G8-77711-00-00
Unavailable
16
WASHER, SPRING
92907-06100-00
Unavailable
17
WASHER, PLATE 8221447500
90201-06057-00
Unavailable
18
INDICATOR 3
8A1-77743-00-00
Unavailable
19
INDICATOR 4
878-77744-00-00
Unavailable
20
INDICATOR 2
8G8-77742-00-00
Unavailable
21
INDICATOR 5
878-77745-00-00
Unavailable
22
GROMMET
(8G8-77746-00-00)
Unavailable
23
INDICATOR 1
(8G8-77741-00-00)
Unavailable
24
BAND
341-26397-01-00
Unavailable
25
INDICATOR 2
8E7-77742-00-00
Unavailable
26
HOLDER, WIRE
(8G8-23874-00-00)
Unavailable
27
GROMMET 117217730000
90480-40047-00
Unavailable
28
DAMPER 1
(8G8-77319-00-00)
Unavailable
29
HOLDER, COUPLER
8F3-21794-00-00
Unavailable
31
YBS66-6 WASHER, PLAIN
92990-06200-00
Unavailable
32
LABEL, WARNING 7
8G8-77767-01-00
Unavailable
