Partiron

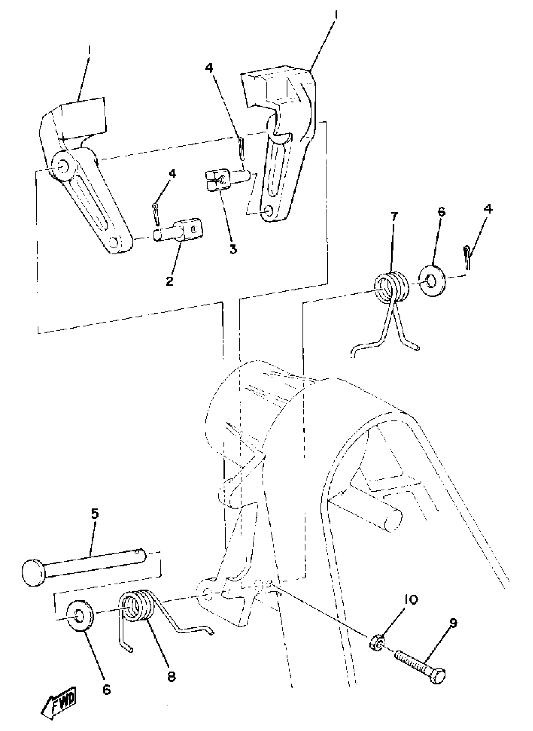
Yamaha ET340B 1978 BRAKE Diagram

#

Description
Price

1

CALIPER BODY COMP.1

88J-25730-00-00

$72.99

2

PIN (810)

90249-06012-00

Unavailable

3

PIN

90249-06009-00

Unavailable

4

PIN, COTTER

91490-20025-00

$1.99

5

PIN, W/ HOLE (8J2)

90240-08068-00

Unavailable

6

.. WASHER, PLATE

92990-08600-00

Unavailable

7

SPRING, TORSION

90508-26335-00

Unavailable

8

SPRING, TORSION

90508-26336-00

Unavailable

9

BOLT

90101-05355-00

Unavailable

10

NUT, HEXAGON SMALL

95317-05700-00

$8.49