- Partiron
- OEM Parts
- Yamaha
- snowmobile
- 1984
- ET300H (ENTICER 300) 1984
TRACK SUSPENSION 1
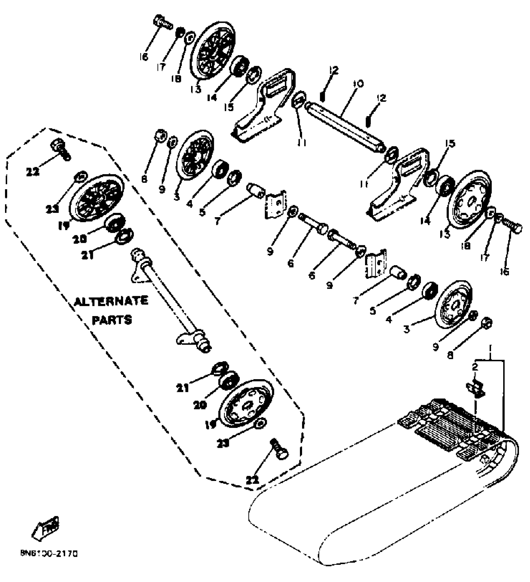
Yamaha ET300H (ENTICER 300) 1984 TRACK SUSPENSION 1 Diagram
#
Description
Price
1
TRACK ASSY
8H9-47110-01-00
Unavailable
2
METAL, SLIDE
8A5-47115-00-00
Unavailable
6
BOLT
90101-12356-00
Unavailable
7
COLLAR
90387-12584-00
Unavailable
10
AXLE, REAR
8F3-47521-00-00
Unavailable
11
WASHER, SPEC''L SHAP
90209-23152-00
Unavailable
12
PIN, SPRING (663)
91690-40040-00
Unavailable
16
BOLT, HEXAGON
97013-08020-00
Unavailable
17
YBS67-8 WASHER, SPRING
92990-08100-00
Unavailable
18
WASHER, PLATE (8M2)
90201-083A8-00
Unavailable
22
BOLT (8K2)
90109-08559-00
Unavailable
23
WASHER (8G1)
90201-08681-00
Unavailable
