- Partiron
- OEM Parts
- Yamaha
- snowmobile
- 1981
- ET300E 1981
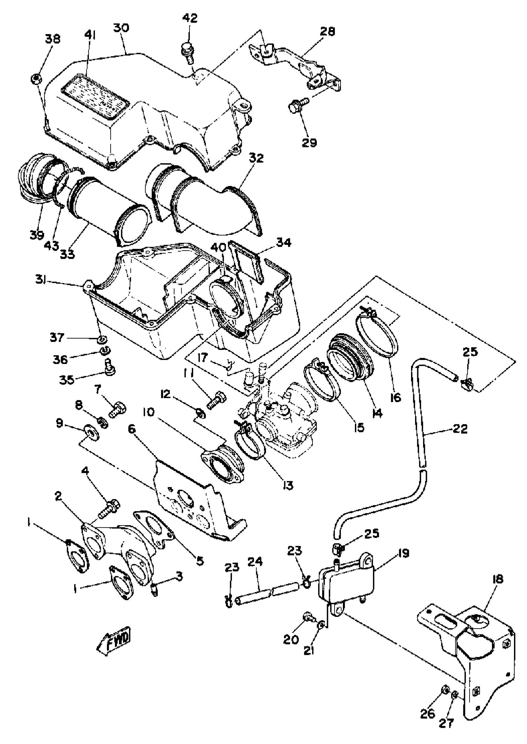
INTAKE
Yamaha ET300E 1981 INTAKE Diagram
#
2
JOINT, CARBURETOR
8G8-13565-00-00
Unavailable
3
NOZZLE
824-13552-00-00
Unavailable
5
GASKET, MANIFOLD
8Y2-13556-01-00
Unavailable
6
GASKET
8H5-13567-00-00
Unavailable
7
BOLT(62E)
97013-08012-00
Unavailable
9
WASHER, PLATE
90209-08150-00
Unavailable
12
.. WASHER, PLATE
92990-08600-00
Unavailable
15
CLAMP, HOSE (29L)
90460-68230-00
Unavailable
16
CLAMP, HOSE(59V)
90460-85277-00
Unavailable
17
CLAMP, THROTTLE
822-41222-00-00
Unavailable
18
BRACKET, FUEL PUMP
8G8-24491-00-00
Unavailable
19
FUEL PUMP ASY
8J6-24410-01-00
Unavailable
20
BOLT, HEXAGON DEEP RECESS
97D95-06016-00
Unavailable
21
WASHER, PLATE (4H7)
90201-061A5-00
Unavailable
22
TUBE, FLEXIBLE VINYL(8AK)
91A30-05039-00
Unavailable
23
CLIP
90467-090A2-00
Unavailable
24
HOSE (L450)
90445-10144-00
Unavailable
25
CLIP (8A1)
90467-09026-00
Unavailable
26
NUT, HEXAGON
95380-06600-00
Unavailable
27
WASHER, SPRING
92995-06100-00
Unavailable
28
STAY 1
8G8-14498-00-00
Unavailable
29
BOLT, FLANGE
95812-06010-00
Unavailable
30
SILENCER, INTAKE 1
8G8-14431-00-00
Unavailable
31
SILENCER 2
8G8-14441-00-00
Unavailable
32
PIPE
8G8-14419-00-00
Unavailable
33
PIPE
8G8-14465-00-00
Unavailable
34
PLATE
8G8-14477-00-00
Unavailable
35
SCREW, PAN HEAD
98580-05020-00
Unavailable
36
YBS67-5 WASHER, SPRING
92990-05100-00
Unavailable
37
WASHER, PLAIN (646)
92990-05600-00
Unavailable
38
NUT, HEXAGON (663)
95380-05600-00
Unavailable
39
PIPE, SUCTION 1
8N5-14423-00-00
Unavailable
40
PIPE
8G8-14466-01-00
Unavailable
41
LABEL, CAUTION
8A5-14488-00-00
Unavailable
42
BOLT, FLANGE
95817-06014-00
Unavailable
43
SPRING TENSION 808144550000
90506-06083-00
Unavailable
