Partiron

Yamaha ET300D 1980 CONTROL - CABLE Diagram

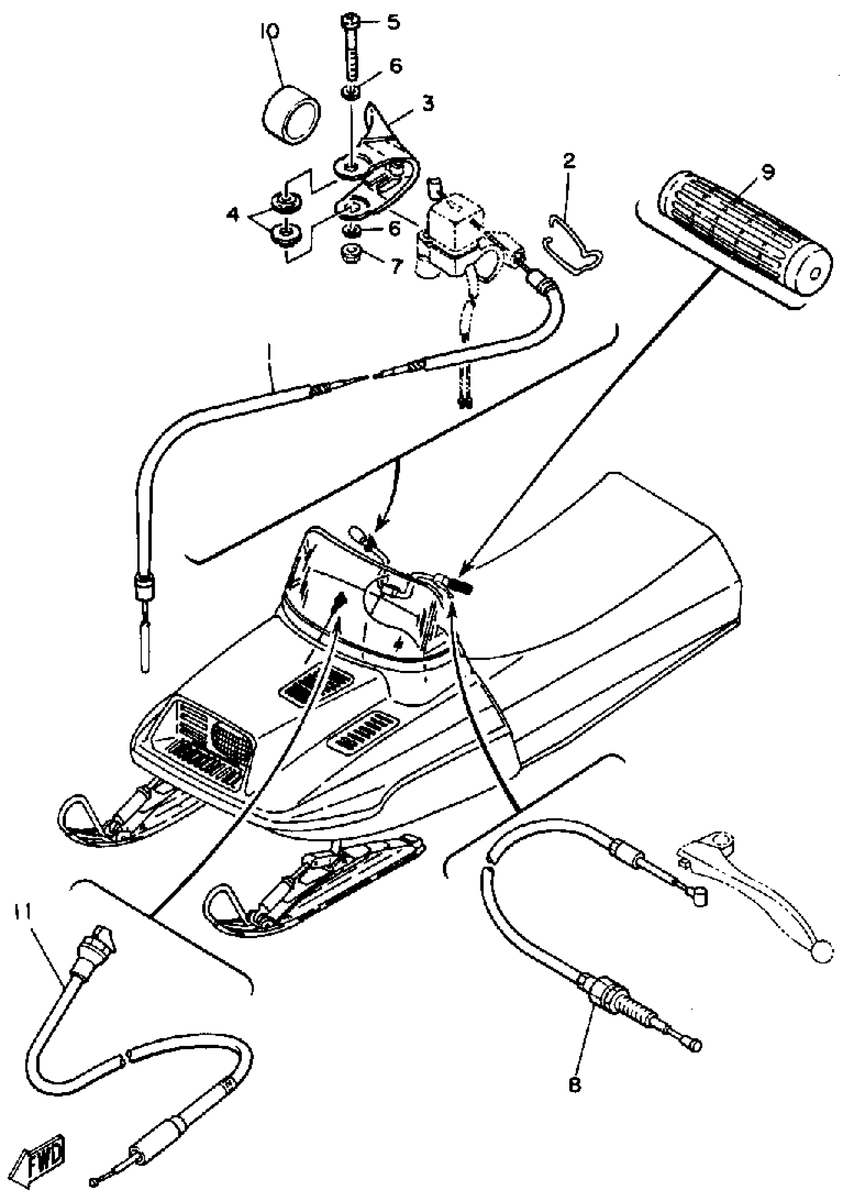
#

Description
Price

1

CABLE, THROTTLE 1

8W6-26311-00-00

Unavailable

2

CLIP (821-26391-00)

90468-10017-00

Unavailable

3

LEVER,THROTTLE

8K1-42138-00-00

Unavailable

4

COLLAR (8G8)

90387-06681-00

$9.49

5

SCREW PAN HEAD

98580-06550-00

$8.49

6

WASHER, PLATE (4H7)

90201-061A5-00

$7.49

7

NUT, NYLON

95707-06300-00

$3.50

8

CABLE, BRAKE

8F3-26340-01-00

Unavailable

9

GRIP

801-26241-02-00

$10.99

10

COLLAR

90387-22726-00

Unavailable

11

CABLE, STARTER 1

8L3-26331-00-00

$57.99