- Partiron
- OEM Parts
- Yamaha
- snowmobile
- 1979
- ET250C 1979
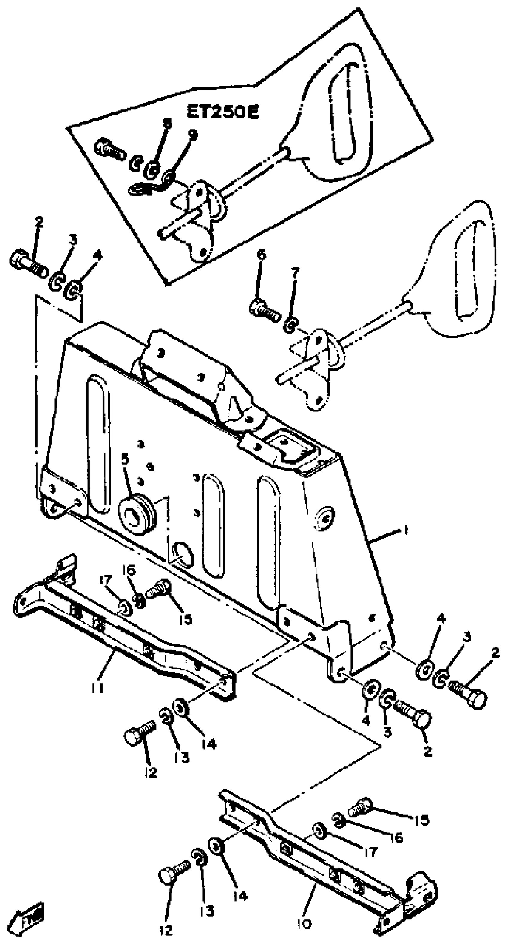
STEERING GATE ET250D - E
Yamaha ET250C 1979 STEERING GATE ET250D - E Diagram
#
Description
Price
1
GATE, STEERING
(8J5-23871-00-00)
Unavailable
4
.. WASHER, PLATE
92990-08600-00
Unavailable
7
WASHER, SPRING
92995-06100-00
Unavailable
9
CLAMP
90465-20162-00
Unavailable
10
BRACKET 13
8G5-23898-00-00
Unavailable
11
BRACKET 14
8G5-23899-00-00
Unavailable
13
WASHER, SPRING
92995-06100-00
Unavailable
15
BOLT(8CP)
97017-06014-00
Unavailable
16
WASHER, SPRING
92995-06100-00
Unavailable
17
WASHER, PLATE
90201-06020-00
Unavailable
