- Partiron
- OEM Parts
- Yamaha
- snowmobile
- 1979
- ET250C 1979
FUEL TANK ET250C
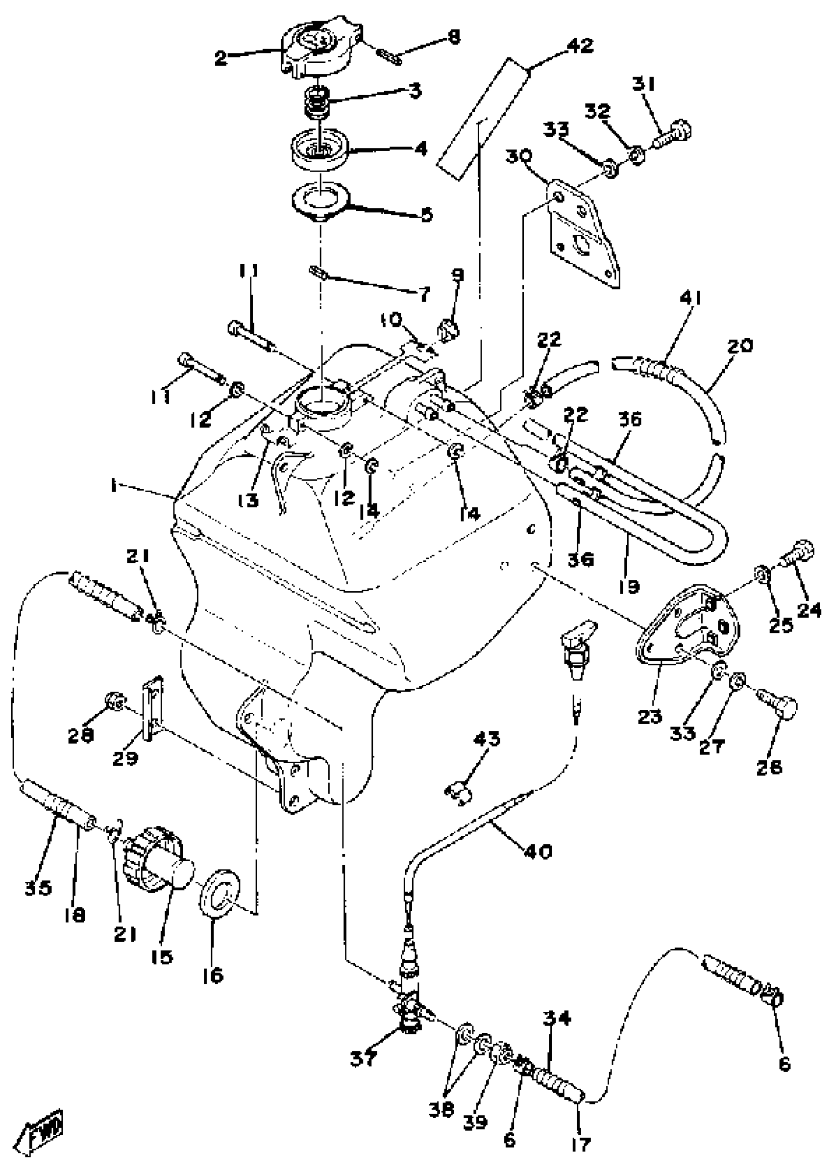
Yamaha ET250C 1979 FUEL TANK ET250C Diagram
#
1
FUEL TANK
8F3-24111-00-00
Unavailable
2
BODY, CAP
8A5-24611-00-00
Unavailable
6
CLIP
90467-11028-00
Unavailable
7
PIN, SPRING
91690-30016-00
Unavailable
10
SPRING, TORSION (813-24637-00)
90508-08003-00
Unavailable
13
SPRING, TORSIOW (8F3)
90508-08353-00
Unavailable
15
FILTER ASSEMBLY
8R4-24560-00-00
Unavailable
16
PACKING, FILTER
8F3-24564-00-00
Unavailable
17
HOSE
90446-11326-00
Unavailable
18
TUBE, FLEXIBLE VINYL(86X)
91A20-07100-00
Unavailable
19
TUBE, FLEXIBLE VINYL(8AT)
91A20-05145-00
Unavailable
20
TUBE, FLEXIBLE VINYL(8AK)
91A20-05080-00
Unavailable
21
CLIP (8J7)
90467-11009-00
Unavailable
22
CLIP (8A1)
90467-09026-00
Unavailable
23
BRACKET, FUEL TNK 1
(8F3-24191-01-00)
Unavailable
24
BOLT(JA9)
90101-08691-00
Unavailable
25
WASHER, CONICAL SPRING
90208-08011-00
Unavailable
26
BOLT(62E)
97013-08012-00
Unavailable
27
YBS67-8 WASHER, SPRING
92990-08100-00
Unavailable
28
NUT, NYLON
95717-08300-00
Unavailable
29
WASHER, SPECIAL
(8F3-24186-00-00)
Unavailable
30
BRACKET, FUEL TNK 2
(8F3-24192-00-00)
Unavailable
31
BOLT(JA9)
90101-08691-00
Unavailable
32
YBS67-8 WASHER, SPRING
92990-08100-00
Unavailable
33
WASHER, PLATE (4W3)
90201-086A3-00
Unavailable
34
PROTECTOR, PIPE
(8G5-24326-00-00)
Unavailable
35
PROTECTOR, PIPE
8F3-24327-00-00
Unavailable
36
CLIP
(90468-15076-00)
Unavailable
37
FUEL COCK ASSEMBLY
84M-24500-00-00
Unavailable
38
WASHER, PLATE (4N0)
90201-126A7-00
Unavailable
39
NUT, SELF LOCKING (23X)
90185-12119-00
Unavailable
40
LEVER, FUEL CHANGE
8G5-24575-00-00
Unavailable
41
SPRING, COMPRESSION(8AF)
90501-083J8-00
Unavailable
42
EMBLEM 1
(8G5-24161-00-00)
Unavailable
43
CLIP, WIRE 2072639100
90468-15009-00
Unavailable
