- Partiron
- OEM Parts
- Yamaha
- snowmobile
- 1978
- ET250B 1978
STEERING GATE
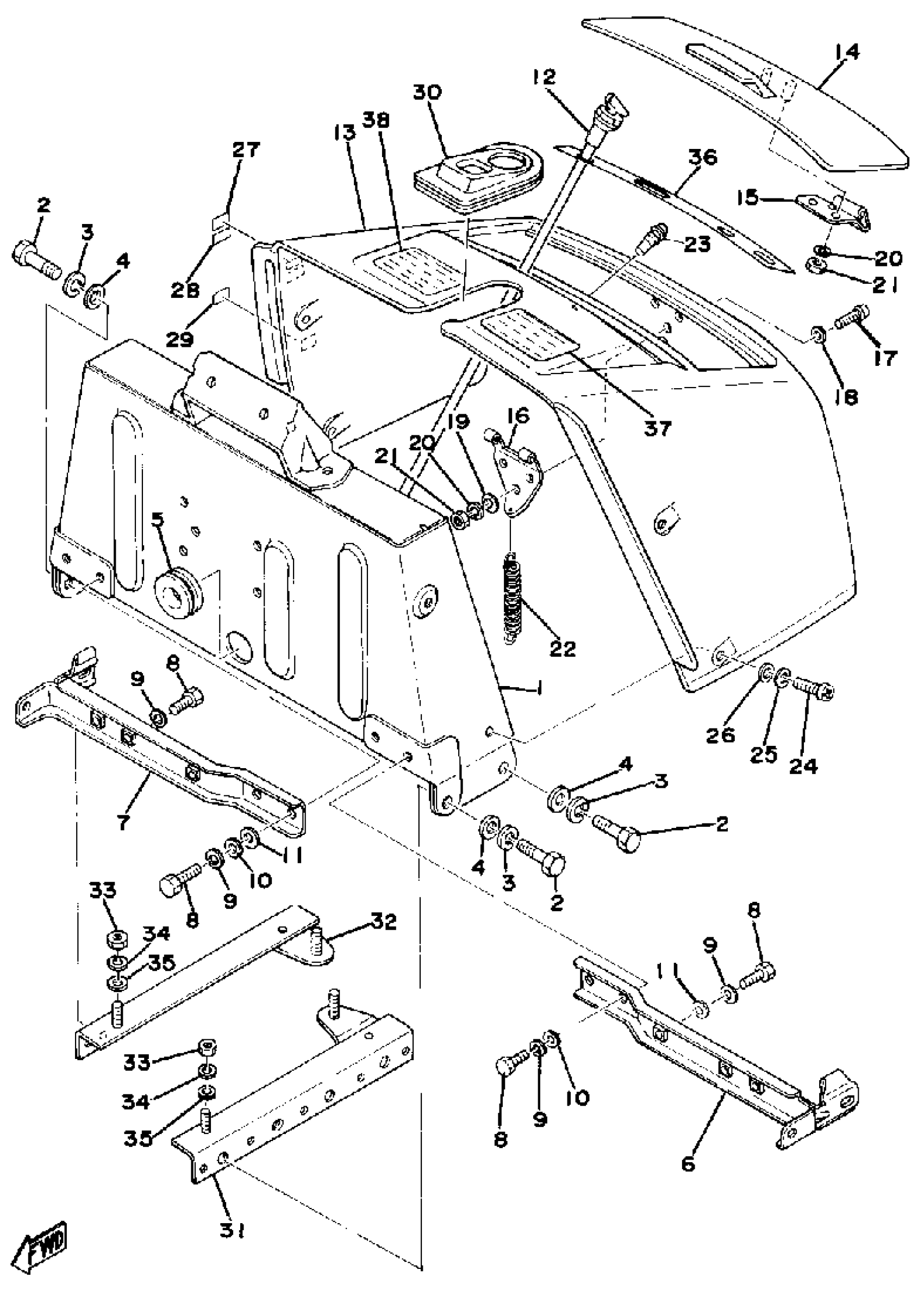
Yamaha ET250B 1978 STEERING GATE Diagram
#
1
GATE, STEERING
(8G5-23871-00-00)
Unavailable
4
.. WASHER, PLATE
92990-08600-00
Unavailable
6
BRACKET 13
8G5-23898-00-00
Unavailable
7
BRACKET 14
8G5-23899-00-00
Unavailable
9
WASHER, SPRING
92995-06100-00
Unavailable
12
CABLE, STARTER 1
8L2-26331-00-00
Unavailable
13
PANEL, INSTRUMENT
8G5-77711-00-00
Unavailable
14
PANEL, INSTRUMENT
8F3-77712-00-00
Unavailable
15
HINGE 1
8F3-77726-01-00
Unavailable
16
HINGE 2
8F3-77727-00-00
Unavailable
17
SCREW,PAN HEAD (646)
98580-05012-00
Unavailable
18
WASHER, PLAIN (646)
92990-05600-00
Unavailable
19
. WASHER, PLAIN
92990-05200-00
Unavailable
20
YBS67-5 WASHER, SPRING
92990-05100-00
Unavailable
21
NUT, HEXAGON (663)
95380-05600-00
Unavailable
22
SPRING, TENSION
90506-10090-00
Unavailable
23
DAMPER 1
(811-77461-00-00)
Unavailable
24
SCREW, PAN
98507-06014-00
Unavailable
25
WASHER, SPRING
92907-06100-00
Unavailable
26
WASHER, PLATE 8221447500
90201-06057-00
Unavailable
27
INDICATOR 3
8A1-77743-00-00
Unavailable
28
INDICATOR 4
878-77744-00-00
Unavailable
29
INDICATOR 4
8A1-77744-00-00
Unavailable
30
GROMMET
8F3-77746-00-00
Unavailable
31
BRACKET, STRG GTE 1
(8G5-21948-00-00)
Unavailable
32
BRACKET, STRG GTE 2
(8G5-21958-00-00)
Unavailable
33
NUT, HEXAGON
95380-06600-00
Unavailable
34
WASHER, SPRING
92995-06100-00
Unavailable
36
INDICATOR 1
8G5-77741-00-00
Unavailable
37
LABEL, WARNING 6
8F3-77766-00-00
Unavailable
38
LABEL, WARNING 7
8L2-77767-00-00
Unavailable
