- Partiron
- OEM Parts
- Yamaha
- snowmobile
- 1978
- ET250B 1978
REAR AXLE - WHEEL
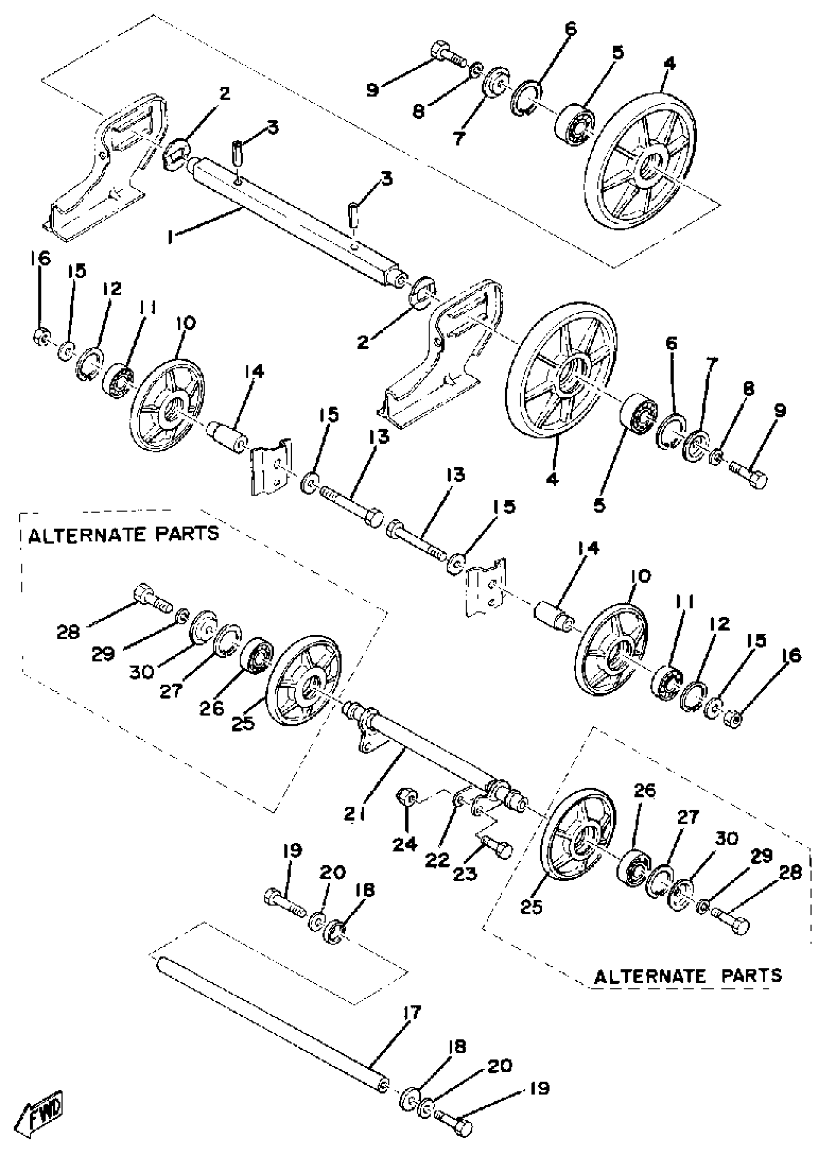
Yamaha ET250B 1978 REAR AXLE - WHEEL Diagram
#
Description
Price
1
AXLE, REAR
8F3-47521-00-00
Unavailable
1
IDLER WHEEL KIT
(8G5-47000-00-00)
Unavailable
2
WASHER, SPEC''L SHAP
90209-23152-00
Unavailable
3
PIN, SPRING (663)
91690-40040-00
Unavailable
7
WASHER, SPEC''L SHAP
90209-08124-00
Unavailable
13
BOLT
90101-12356-00
Unavailable
14
COLLAR
90387-12584-00
Unavailable
15
YBS66-12 WASHER,PLAIN
92990-12200-00
Unavailable
16
NUT, NYLON
95717-12300-00
Unavailable
17
SHAFT 1
8A5-47465-02-00
Unavailable
18
SPACER
8U7-47341-00-00
Unavailable
19
BOLT (8J7)
97013-10030-00
Unavailable
20
WASHER 823214910000
90208-10012-00
Unavailable
21
BAR, SUSPENSION
8N4-47451-00-00
Unavailable
22
SPACER
8G5-47466-00-00
Unavailable
23
BOLT, HEXAGON
97013-08030-00
Unavailable
24
NUT, NYLON
95717-08300-00
Unavailable
28
BOLT
90109-06464-00
Unavailable
29
WASHER, SPRING
92995-06100-00
Unavailable
30
WASHER, SPEC''L SHAP
90209-06137-00
Unavailable
