- Partiron
- OEM Parts
- Yamaha
- snowmobile
- 1978
- ET250B 1978
OIL PUMP
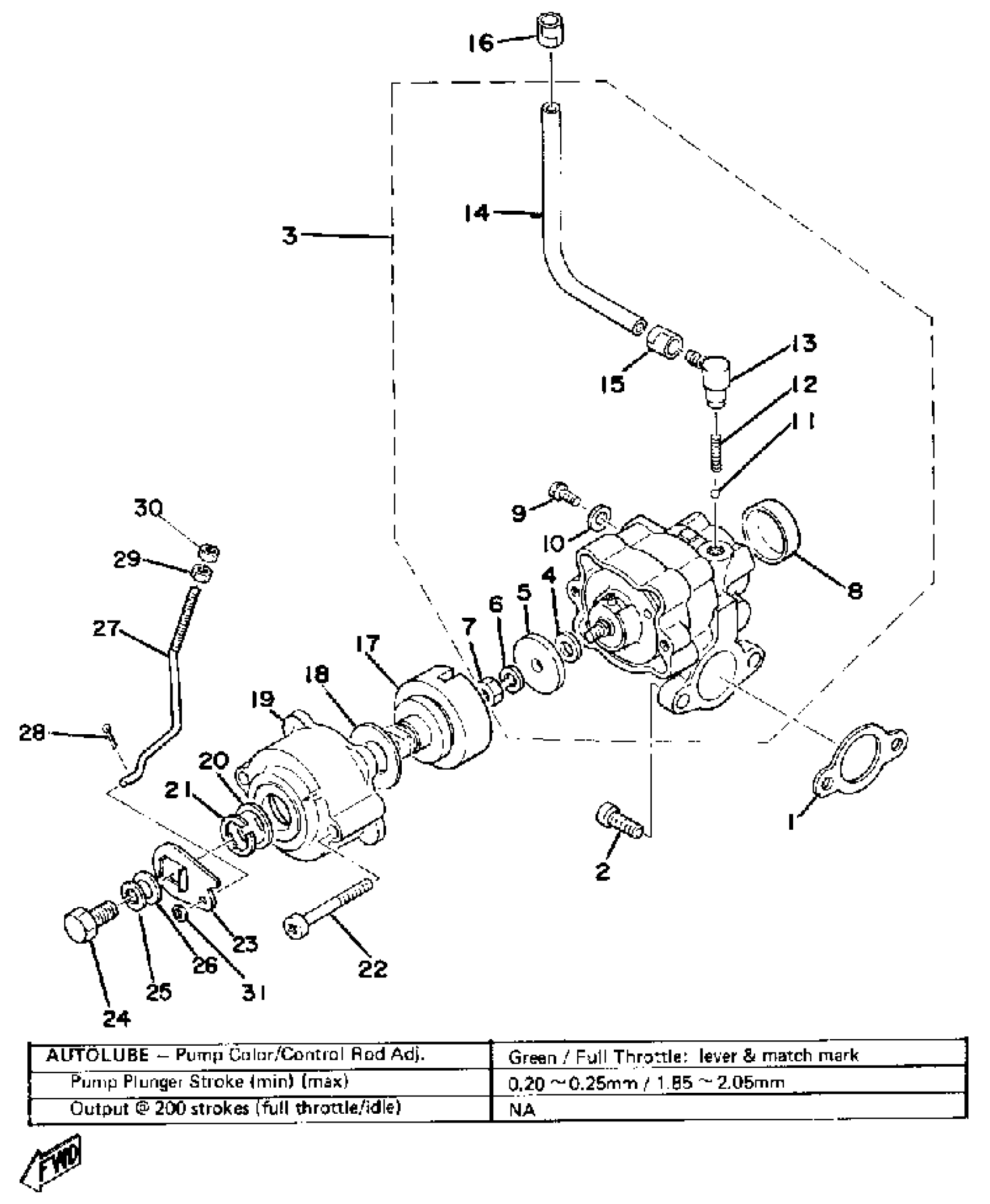
Yamaha ET250B 1978 OIL PUMP Diagram
#
Description
Price
2
SCREW, PAN HEAD(6B0)
97885-05016-00
Unavailable
3
OIL PUMP ASSEMBLY
(8F3-13101-01-00)
Unavailable
5
PLATE, ADJUSTING
137-13138-01-00
Unavailable
8
. PLUG
90338-21100-00
Unavailable
9
SCREW, BIND
98980-04008-00
Unavailable
14
HOSE (L200)
90445-05N13-00
Unavailable
15
CLIP (214-13164-00)
90468-02033-00
Unavailable
16
CLIP (214-13164-00)
90468-02033-00
Unavailable
17
SHAFT, PUMP CONTROL
860-13153-00-00
Unavailable
18
SEAL, GREASE
860-13119-00-00
Unavailable
19
COVER, AJST PULLEY
(812-13146-00-00)
Unavailable
20
SHIM
(812-13147-00-00)
Unavailable
21
CIRCLIP(J51)
99080-09600-00
Unavailable
22
SCREW, PAN
98507-04030-00
Unavailable
23
LEVER, PUMP CONTROL
8G5-13156-00-00
Unavailable
24
BOLT (661)
97013-06012-00
Unavailable
25
WASHER, SPRING
92995-06100-00
Unavailable
26
YBS66-6 WASHER, PLAIN
92990-06200-00
Unavailable
27
ROD, PUMP CONTROL
(8G5-13157-00-00)
Unavailable
28
. PIN, COTTER
91490-12012-00
Unavailable
29
NUT, HEXAGON (807-13139-00)
90170-03008-00
Unavailable
30
NUT, SELF-LOCKING (838-13139-00)
90185-03007-00
Unavailable
31
YBS66-4 WASHER, PLAIN
92990-04200-00
Unavailable
