- Partiron
- OEM Parts
- Yamaha
- snowmobile
- 1978
- ET250B 1978
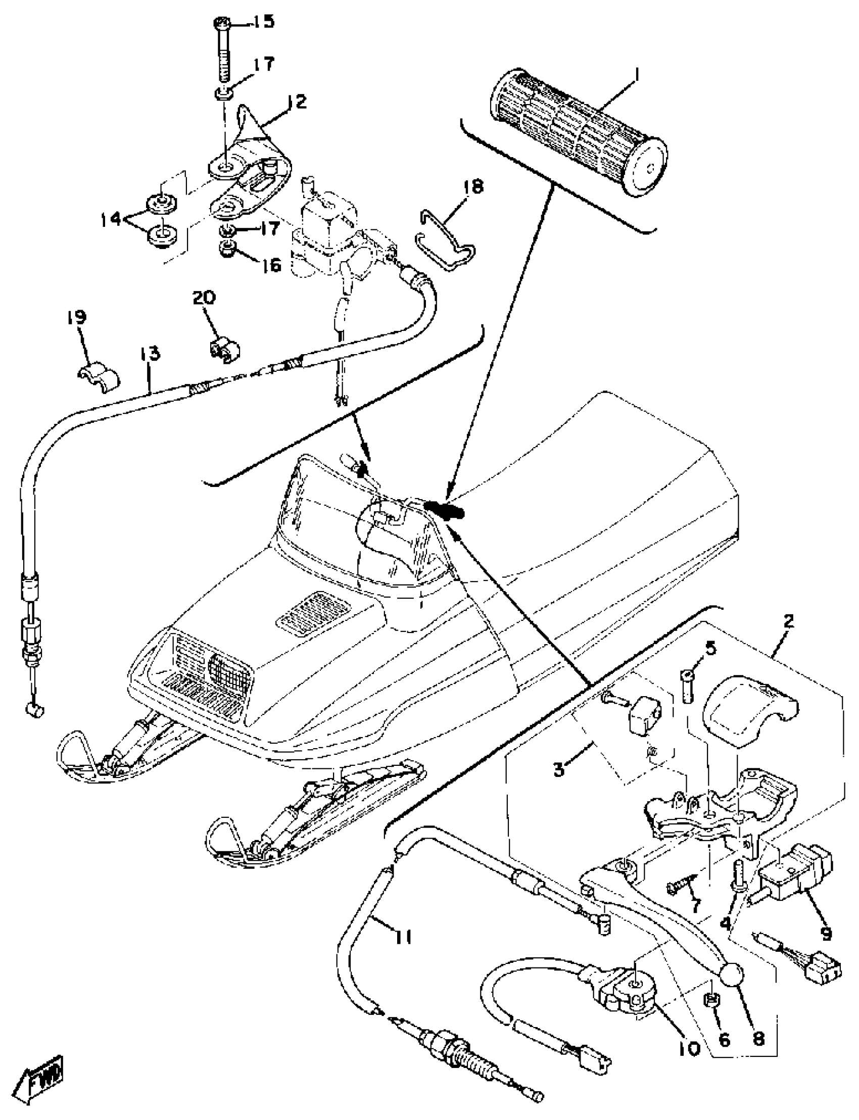
GRIP - WIRING
Yamaha ET250B 1978 GRIP - WIRING Diagram
#
Description
Price
2
LEVER HOLDER ASSY (LEFT)
8R4-W8291-02-00
Unavailable
3
LEVER LOCK ASSY
8E3-W8393-01-00
Unavailable
7
. SCREW, TAPPING
97780-30312-00
Unavailable
8
LEVER L
803-83912-00-38
Unavailable
11
CABLE, BRAKE
8F3-26340-01-00
Unavailable
12
THROTTLE LEVER
99999-01028-00
Unavailable
16
NUT, NYLON
95707-06300-00
Unavailable
17
WASHER, PLAIN (646)
92990-06600-00
Unavailable
18
CLIP (821-26391-00)
90468-10017-00
Unavailable
19
CLAMP, CORD
861-82361-00-00
Unavailable
20
CLIP (867)
90468-15020-00
Unavailable
