Partiron

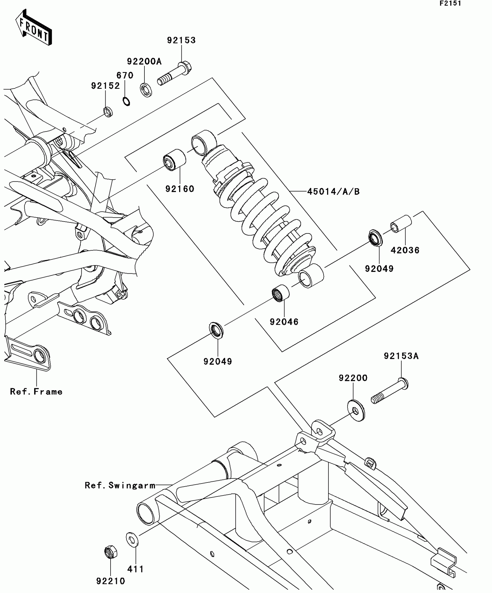
Kawasaki ER-6n Suspension/Shock Absorber Diagram

#

Description
Price

42036

SLEEVE,12.1X18X32

42036-0024

$13.60

45014A

SHOCKABSORBER,S.RED

45014-0298-VM

$490.21

45014B

SHOCKABSORBER,P.SILVER

45014-0298-458

$499.30

92046

BEARING-NEEDLE,SFYZM182417

92046-1272

$16.42

92049

SEAL-OIL

92049-0133

$10.05

92152

COLLAR,12.1X16.8X4.4

92152-0811

$4.45

92153

BOLT,FLANGED,12X55

92153-1766

$10.45

92153A

BOLT,SOCKET,12X70

92153-1985

$13.30

92160

DAMPER,SHOCKABSORBER

92160-1161

$30.91

92200

WASHER

92200-0484

$18.23

92200A

WASHER,12.5X24X3.2

92200-0519

$3.71

92210

NUT,LOCK,12MM

92210-0300

$5.70

411

WASHER-PLAIN,12MM

411AA1200

$0.96

670

O RING,12MM

670B2012

$3.23