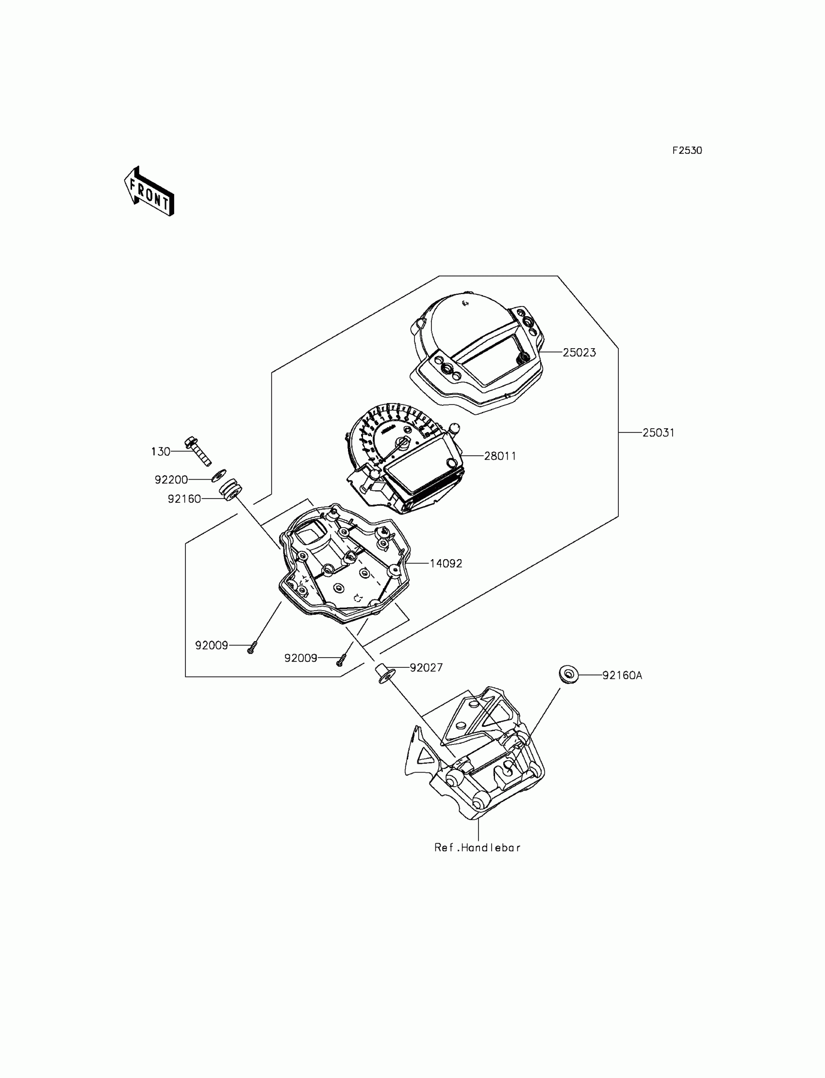
Kawasaki ER-6n Meter(s) Diagram
#
Description
Price
14091
COVER,METER,EBONY
14091-1588-H8
Unavailable
14091C
COVER,METER,P.B.ORANGE
14091-1588-848
Unavailable
25031
METER-ASSY,KPH
25031-0222
Unavailable
25031A
METER-ASSY,MPH
25031-0229
Unavailable
28011
METER,SPEED&LCD
28011-0121
Unavailable
