Partiron

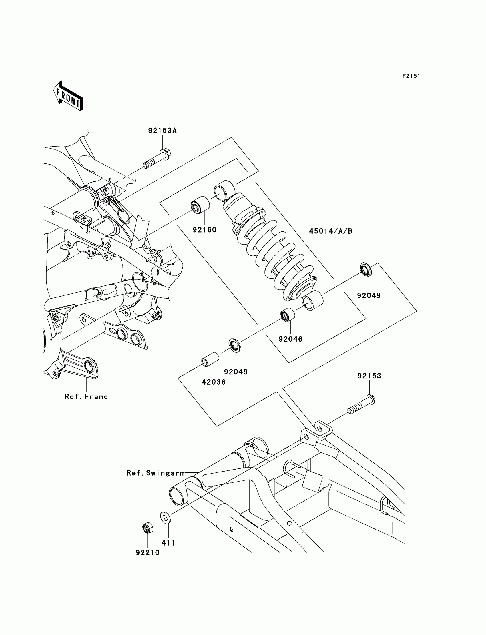
Kawasaki ER-6n (Australian) Suspension/Shock Absorber Diagram

#

Description
Price

411

WASHER-PLAIN,12MM

411AA1200

$0.96

42036

SLEEVE,12.1X18X32

42036-0024

$13.60

45014

SHOCKABSORBER,P.SILVER

45014-0140-458

Unavailable

92046

BEARING-NEEDLE,SFYZM182417

92046-1272

$16.42

92049

SEAL-OIL,KCR MF018N1

92049-1493

$9.19

92153

BOLT,SOCKET,12X60

92153-1484

$8.65

92153A

BOLT,FLANGED,12X55

92153-1766

$10.45

92160

DAMPER,SHOCKABSORBER

92160-1161

$30.91

92210

NUT,LOCK,12MM

92210-0300

$5.70