- Partiron
- OEM Parts
- Polaris
- Motorcycle
- VIC
- 2016
- EMPULSE TT (R03) - V16EZBRRBB/CB
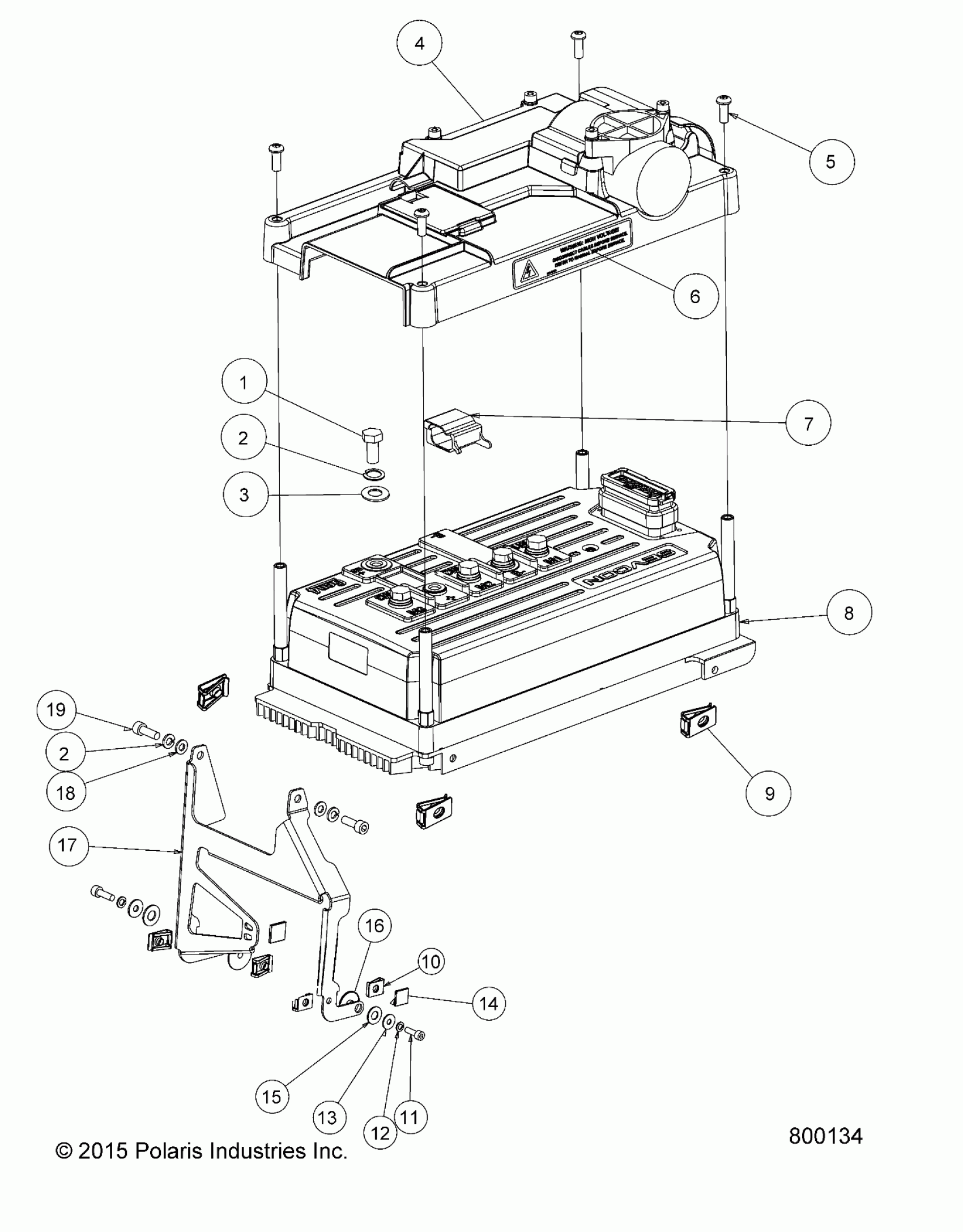
ELECTRICAL, CONTROLLER - V16EZBRRBB/CB (800134)
Polaris EMPULSE TT (R03) - V16EZBRRBB/CB ELECTRICAL, CONTROLLER - V16EZBRRBB/CB (800134) Diagram
#
Description
Price
1
BOLT HEX M6X1X20
B15524960
Unavailable
2
M6, WL, 8, ZC
B17350060
Unavailable
2
M6, WL, 8, ZC
B17350060
Unavailable
3
WASHER, OVERSIZE, M6, 8, ZC
B25852663
Unavailable
4
ASM., COVER-CONTROLLER [INCL. 6]
2413378
Unavailable
4
COVER-CONTROLLER
-------
Unavailable
5
M6X1.0X16, BH, TORX, 8.8
-------
Unavailable
6
DECAL-WARNING,VOLTAGE
-------
Unavailable
7
CAP-BTRY,NEG,SEVCON
-------
Unavailable
8
CONTROLLER-GEN4,SIZE 6
2413371
Unavailable
10
M5X0.8, CLIP-ON NUT, ST
B15557605
Unavailable
11
M5X0.8X16, SH, 8.8, ZC
B16994959
Unavailable
12
M5, WL, 8, ZC
B64434248
Unavailable
13
M5, WO, 8, ZC
B85275739
Unavailable
14
INSULATION, HEAT, SHRINK
5522166
Unavailable
15
ISOLATOR-CONTROLLER,CAP
5522155
Unavailable
16
ISOLATOR-CONTROLLER,HAT
5452771
Unavailable
17
BRKT-CONTROLLER,RR
5261856
Unavailable
18
M6, WS, 8, ZC
B75772929
Unavailable
19
M6X1X18, SH, 8.8, ZC
B64214897
Unavailable
