- Partiron
- OEM Parts
- Kawasaki
- motorcycle
- 1986
- Eliminator
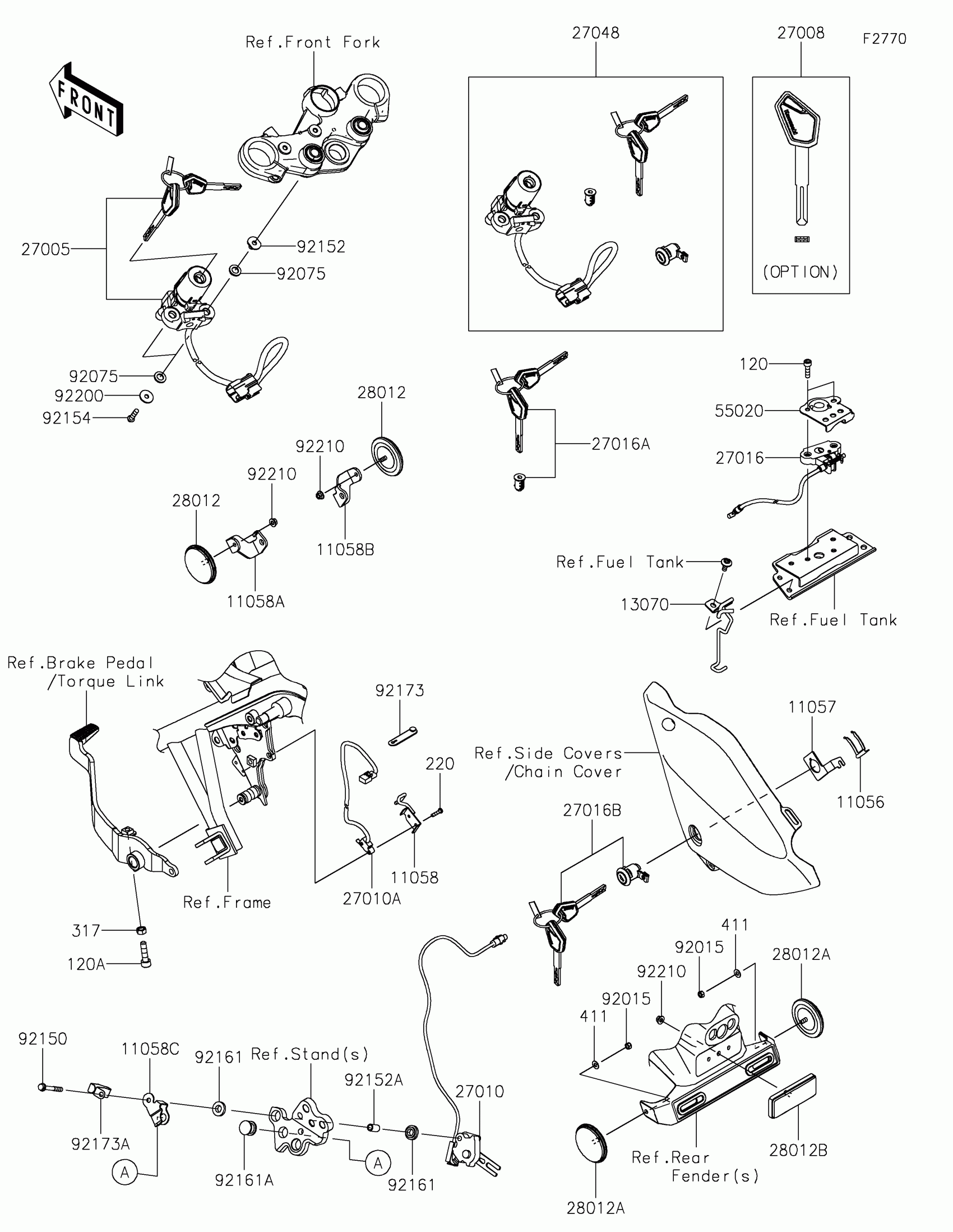
IGNITION SWITCH/LOCKS/REFLECTORS
Kawasaki Eliminator IGNITION SWITCH/LOCKS/REFLECTORS Diagram
#
Description
Price
27004
SWITCH-ASSY
27004-5261
Unavailable
27010A
SWITCH,SIDE STAND
27010-1186
Unavailable
