- Partiron
- OEM Parts
- Kawasaki
- motorcycle
- 2025
- Eliminator ABS
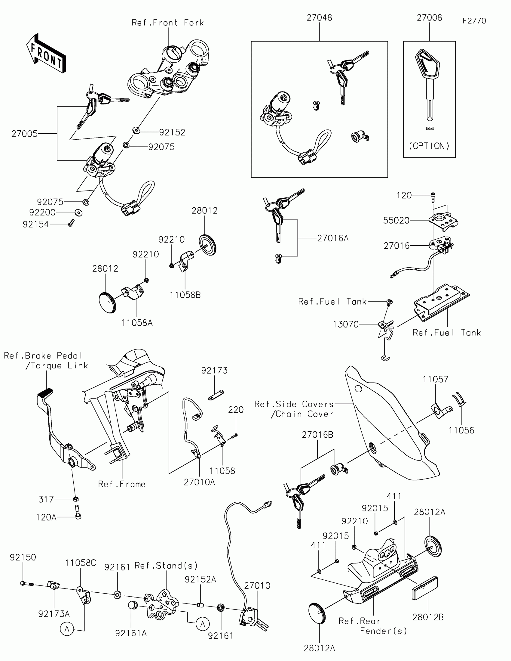
Ignition Switch/Locks/Reflectors
Kawasaki Eliminator ABS Ignition Switch/Locks/Reflectors Diagram
#
Description
Price
92150
BOLT,6X45
92150-1884
Unavailable
