- Partiron
- OEM Parts
- Kawasaki
- motorcycle
- 2005
- Eliminator 125
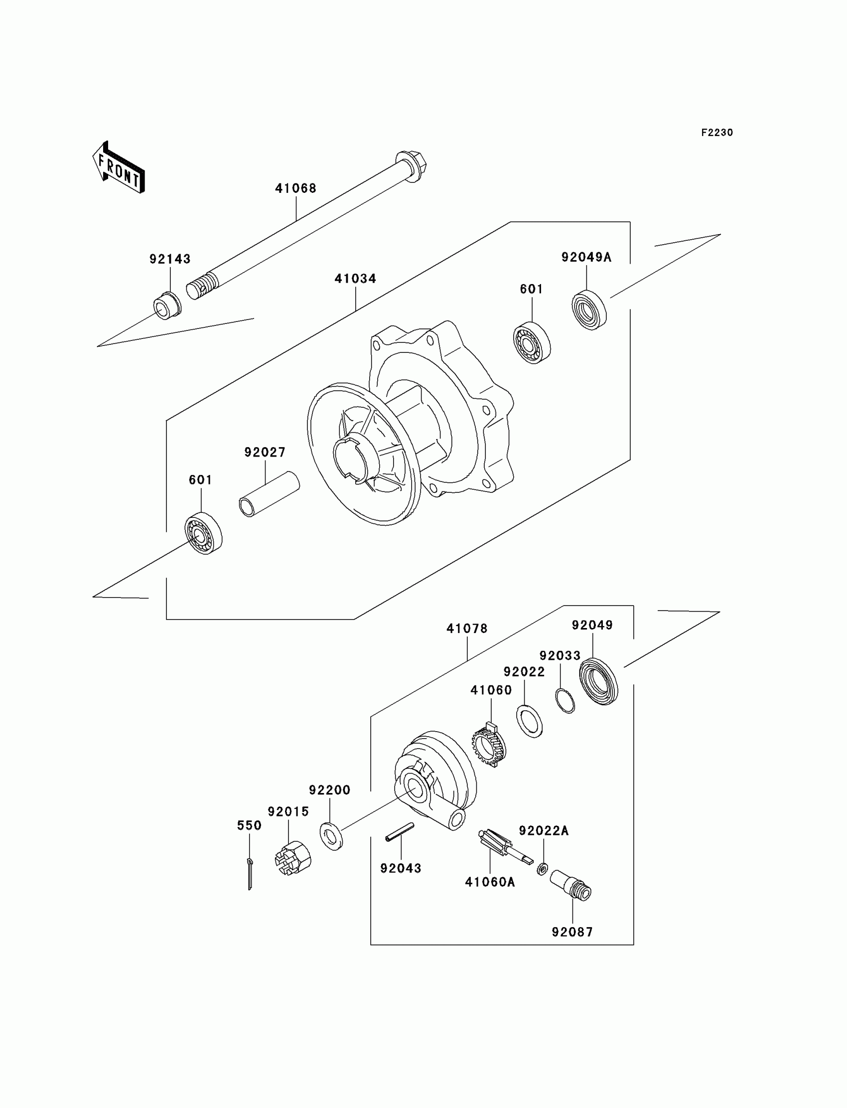
Front Wheel
Kawasaki Eliminator 125 Front Wheel Diagram
#
Description
Price
41078
CASE-ASSY-METER GEAR
41078-1087
Unavailable
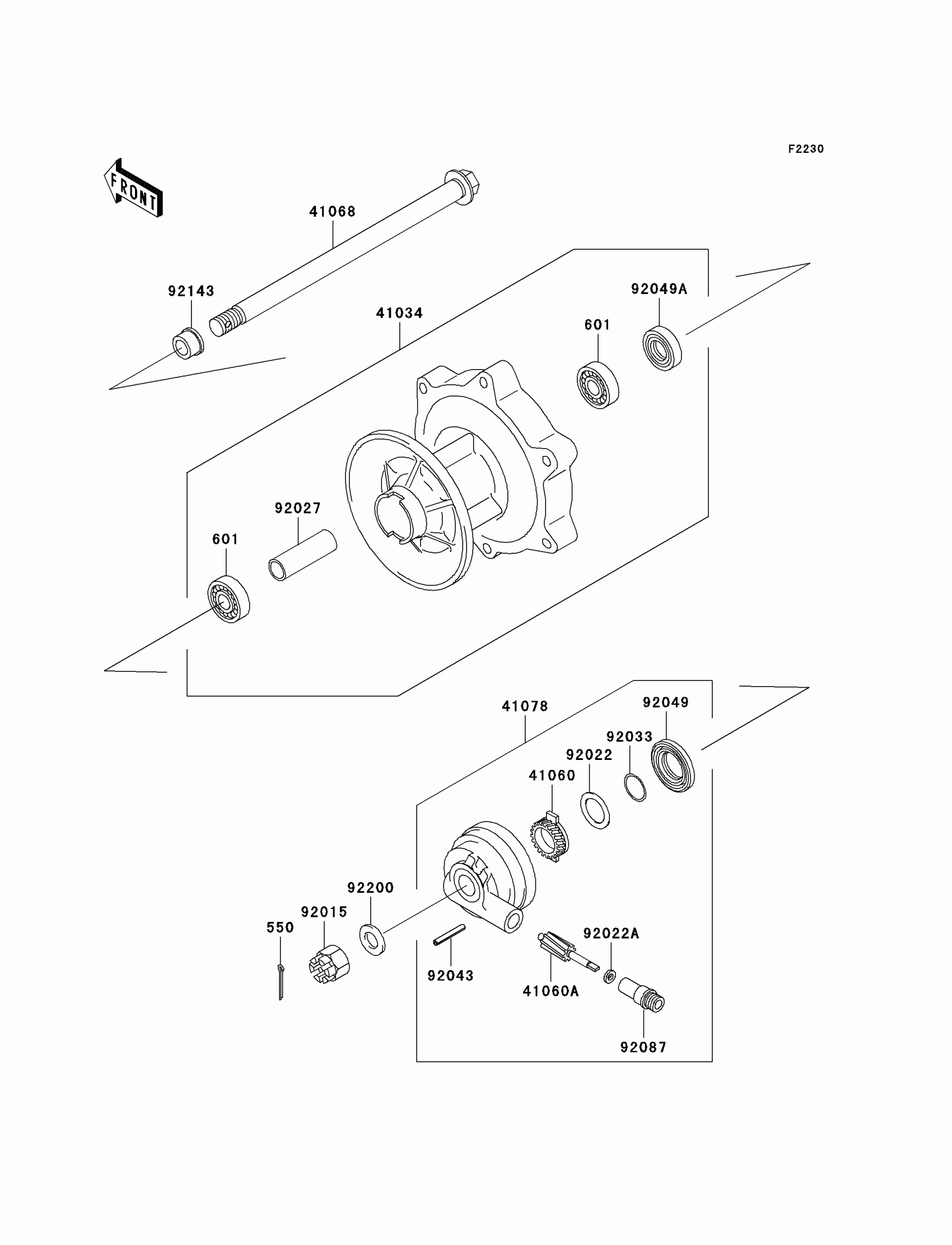
Front Wheel
#
41078
41078-1087
Unavailable
Edit ride
