Yamaha EL433B 1973 FRAME Diagram
#
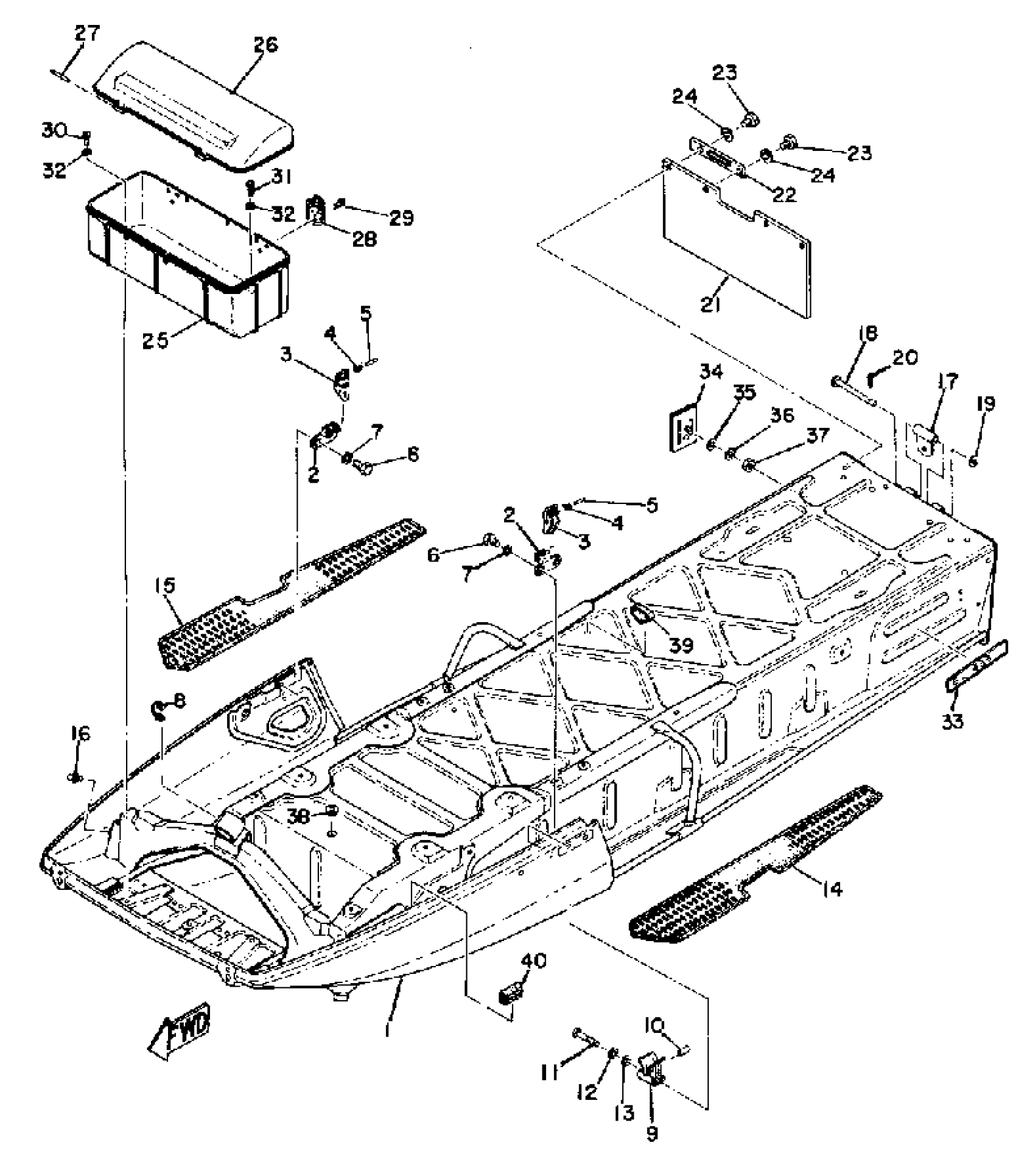
1
LATCH ASSEMBLY
806-77170-00-00
Unavailable
1
FRAME
(841-21910-00-00)
Unavailable
2
BODY, LATCH 2
(806-77172-00-00)
Unavailable
3
. LEVER, LATCH 1
806-77173-00-00
Unavailable
4
. SPRING, TORSION
90508-10012-00
Unavailable
5
. PIN, SPECIAL SHAPE
90249-04068-00
Unavailable
6
BOLT, HEXAGON
97313-05016-00
Unavailable
8
BAND
(841-82591-00-00)
Unavailable
9
CLAMP
90464-09006-00
Unavailable
10
STOPPER
821-77188-01-00
Unavailable
14
COVER, FOOTREST
878-27413-00-00
Unavailable
15
COVER, FOOTREST
878-27423-00-00
Unavailable
16
NIPPLE, GREASE
93700-06M03-00
Unavailable
17
BRACKET, HITCH 1
802-77591-00-00
Unavailable
18
PIN, CLEVIS
(91701-08102-00)
Unavailable
19
WASHER, PLAIN
92990-08200-00
Unavailable
20
PIN, COTTER
91490-25020-00
Unavailable
21
FLAP
(802-77595-02-00)
Unavailable
22
PLATE, FLAP 1
(802-77593-00-00)
Unavailable
23
BOLT (661)
97013-06012-00
Unavailable
24
WASHER, SPRING
92995-06100-00
Unavailable
25
LUGGAGE BOX
841-77391-00-00
Unavailable
26
COVER, LUGGAGE BOX
(8F6-77392-00-00)
Unavailable
27
PIN, SPEC''L SHAPE
90249-03021-00
Unavailable
28
LUGGE BOX LTCH ASSEMBLY
(822-77340-00-00)
Unavailable
29
SCREW, FLAT
98707-03008-00
Unavailable
30
SCREW, PAN
98507-06014-00
Unavailable
31
SCREW, PAN HEAD (76T)
98517-06025-00
Unavailable
33
EMBLEM 4
841-77354-00-00
Unavailable
34
REFLECTOR, REAR 1
(821-85131-00-00)
Unavailable
35
YBS66-6 WASHER, PLAIN
92990-06200-00
Unavailable
36
WASHER, SPRING
92995-06100-00
Unavailable
37
NUT, NYLON
95707-06300-00
Unavailable
38
ORNAMENT, INSTRUMENT PANEL 2
810-77716-00-00
Unavailable
39
CLAMP
(90464-13008-00)
Unavailable
40
STRIP, WEATHER 1
(841-77161-00-00)
Unavailable
