Partiron

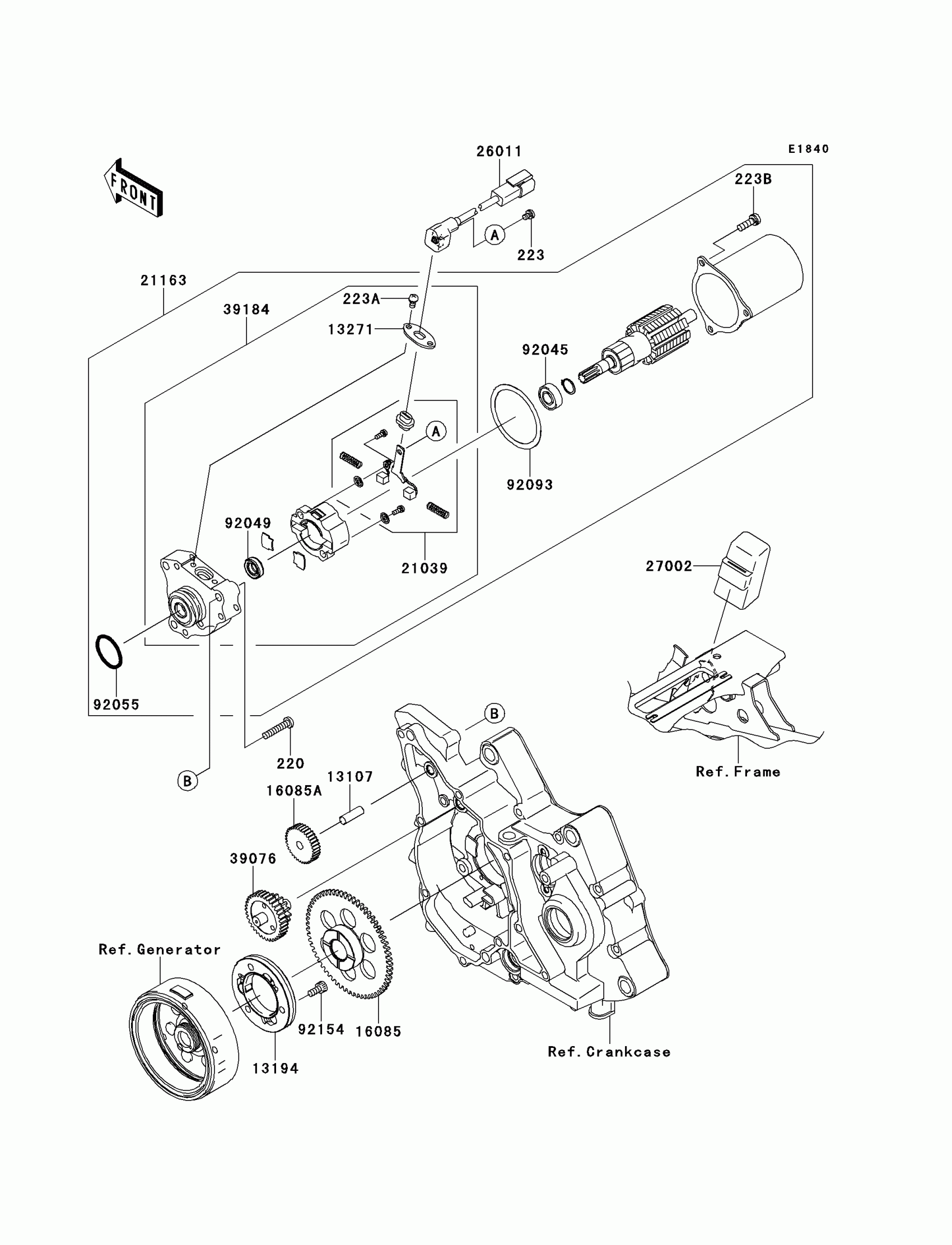
Kawasaki EDGE R Starter Motor Diagram

#

Description
Price

220

SCREW-PAN-CROS,6X30

220AD0630

$4.12

223

SCREW-PAN-WS-CROS,4X6

223AA0406

$3.69

223A

SCREW-PAN-WS-CROS,4X8

223AA0408

$1.28

223B

SCREW-PAN-WS-CROS,5X16

223AA0516

$5.57

13107

SHAFT,8X25

13107-1142

$7.68

13194

CLUTCH-ONEWAY

13194-0013

$108.75

13271

PLATE

13271-0674

$18.57

16085

GEAR

16085-0136

$109.77

16085A

GEAR,IDLE,45T

16085-0593

$53.78

21039

BRUSH,STARTER MOTOR(SET)

21039-1067

$22.25

21163

STARTER-ELECTRIC

21163-0713

Unavailable

26011

WIRE-LEAD

26011-1819

$7.35

27002

RELAY-ASSY

27002-0018

$88.72

39076

LIMITER

39076-0022

$94.59

39184

BRACKET-ASSY

39184-0014

$77.12

92045

BEARING-BALL,STARTER MOTOR

92045-1349

$12.62

92049

SEAL-OIL,STARTER MOTOR

92049-1465

$5.65

92055

RING-O

92055-1276

$9.91

92093

SEAL,STARTER MOTOR

92093-1079

$4.96

92154

BOLT

92154-0325

$3.19