- Partiron
- OEM Parts
- Yamaha
- snowmobile
- 1979
- EC540C 1979
TRACK DRIVE 2 EC540C - D
Yamaha EC540C 1979 TRACK DRIVE 2 EC540C - D Diagram
#
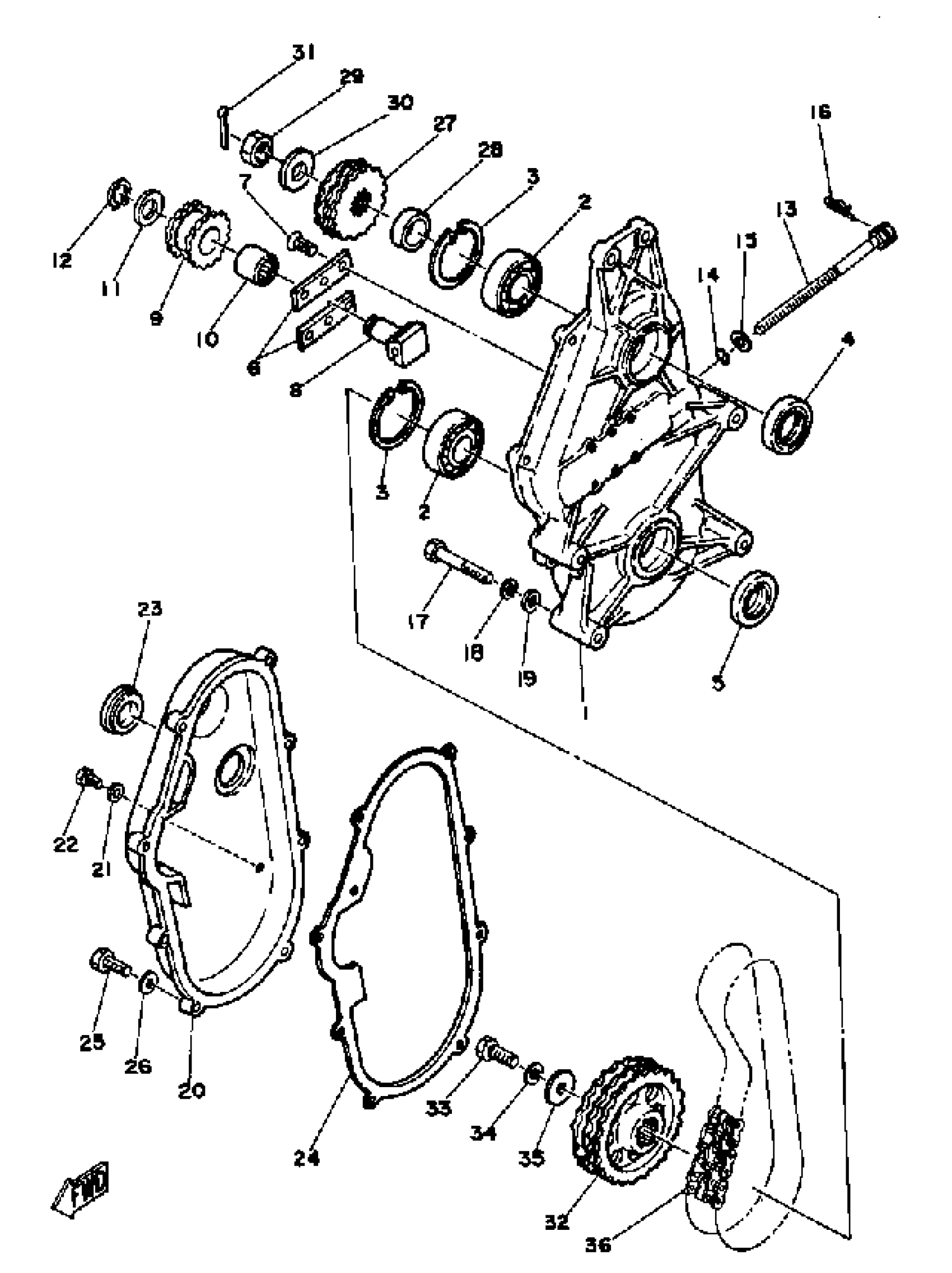
1
HOUSING, CHAIN
8H8-47541-00-00
Unavailable
4
OIL SEAL, SD-TYPE
93102-33140-00
Unavailable
6
HOLDER
8A7-47613-00-00
Unavailable
8
TENSIONER
878-47611-00-00
Unavailable
9
WHEEL
878-47612-00-00
Unavailable
10
BRG,CYL-CAL ROLLER 20G NT
93317-31701-00
Unavailable
11
WASHER
90201-17256-00
Unavailable
13
BOLT
90109-08357-00
Unavailable
15
.. WASHER, PLATE
92990-08600-00
Unavailable
16
CLIP
90468-16065-00
Unavailable
17
BOLT, HEXAGON
97013-08055-00
Unavailable
18
YBS67-8 WASHER, SPRING
92990-08100-00
Unavailable
19
.. WASHER, PLATE
92990-08600-00
Unavailable
20
CAP, HOUSING
(8H8-47543-00-00)
Unavailable
21
GASKET 838153840000
90430-06016-00
Unavailable
22
BOLT,HEXAGON
97017-06008-00
Unavailable
23
PLUG(83R)
90338-30219-00
Unavailable
24
GASKET
8H8-47544-01-00
Unavailable
25
BOLT, HEXAGON
97017-06025-00
Unavailable
26
WASHER, PLAIN (646)
92990-06600-00
Unavailable
27
SPRKT, CHAIN DR 15T (878-17682-50) (15T)
829-17682-50-00
Unavailable
27
SPRKT, CHAIN DR 16T (16T)
829-17682-60-00
Unavailable
27
SPRKT, CHAIN DR 17T (17T)
829-17682-70-00
Unavailable
27
SPRKT, CHAIN DR 18T (18T)
829-17682-80-00
Unavailable
28
COLLAR
90387-25259-00
Unavailable
29
NUT
(95301-16700-00)
Unavailable
30
WASHER, PLATE(10L)
90201-165H4-00
Unavailable
31
PIN, COTTER
91490-30030-00
Unavailable
32
SPROCKET, CHN DRVN
(878-47548-80-00)
Unavailable
32
SPROCKET,CHN DRVN
8U9-47548-90-00
Unavailable
32
SPROCKET, CHN DRVN (31T)
8U9-47587-00-00
Unavailable
32
SPROCKET, CHN DRVN (888-47587-00) (33T)
8U9-47587-10-00
Unavailable
33
BOLT(6TD)
97017-10025-00
Unavailable
34
YBS67-10 WASHER, SPRING
92990-10100-00
Unavailable
35
WASHER, PLATE(8BV)
90201-100S7-00
Unavailable
36
CHAIN 66 (RS35V-3 66L)
94850-35066-00
Unavailable
36
CHAIN 68 (RS35V-368L)
94850-35068-00
Unavailable
36
CHAIN 8H8
94890-03064-00
Unavailable
