Partiron

Yamaha EC540C 1979 CONTROL EC540C Diagram

#

Description
Price

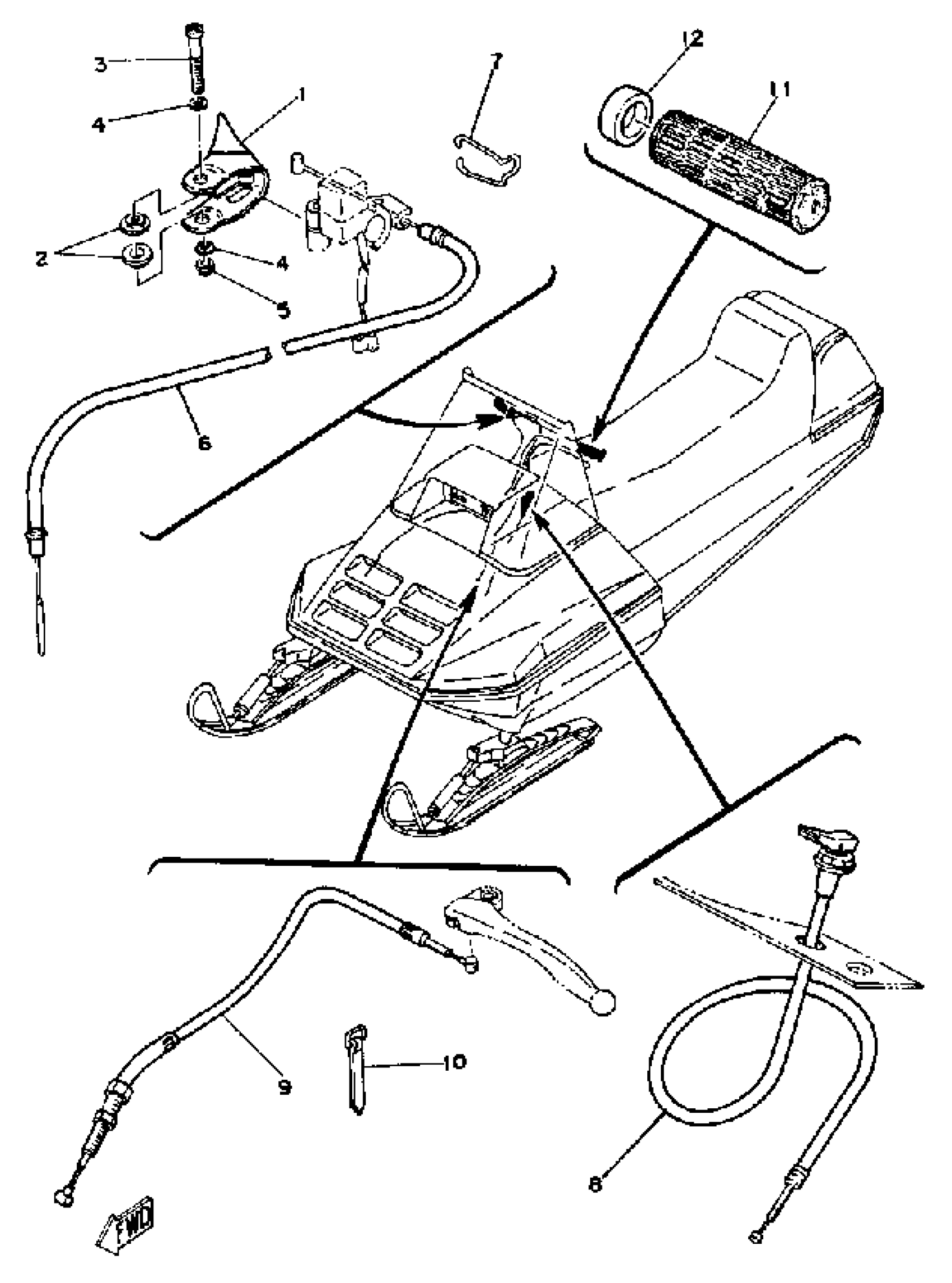
1

LEVER, THROTTLE

(8H8-42138-00-00)

Unavailable

2

COLLAR (8G8)

90387-06681-00

$9.49

3

SCREW PAN HEAD

98580-06550-00

$8.49

4

WASHER, PLAIN (646)

92990-06600-00

$2.80

5

NUT, NYLON

95707-06300-00

$3.50

6

CABLE, THROTTLE 1

8K1-26311-00-00

Unavailable

7

CLIP (821-26391-00)

90468-10017-00

Unavailable

8

CABLE, STARTER1

8L7-26331-00-00

Unavailable

9

CABLE, BRAKE

8H8-26340-00-00

Unavailable

10

BAND

341-26397-01-00

Unavailable

11

GRIP

801-26241-02-00

$10.99

12

COLLAR

90387-22647-00

Unavailable