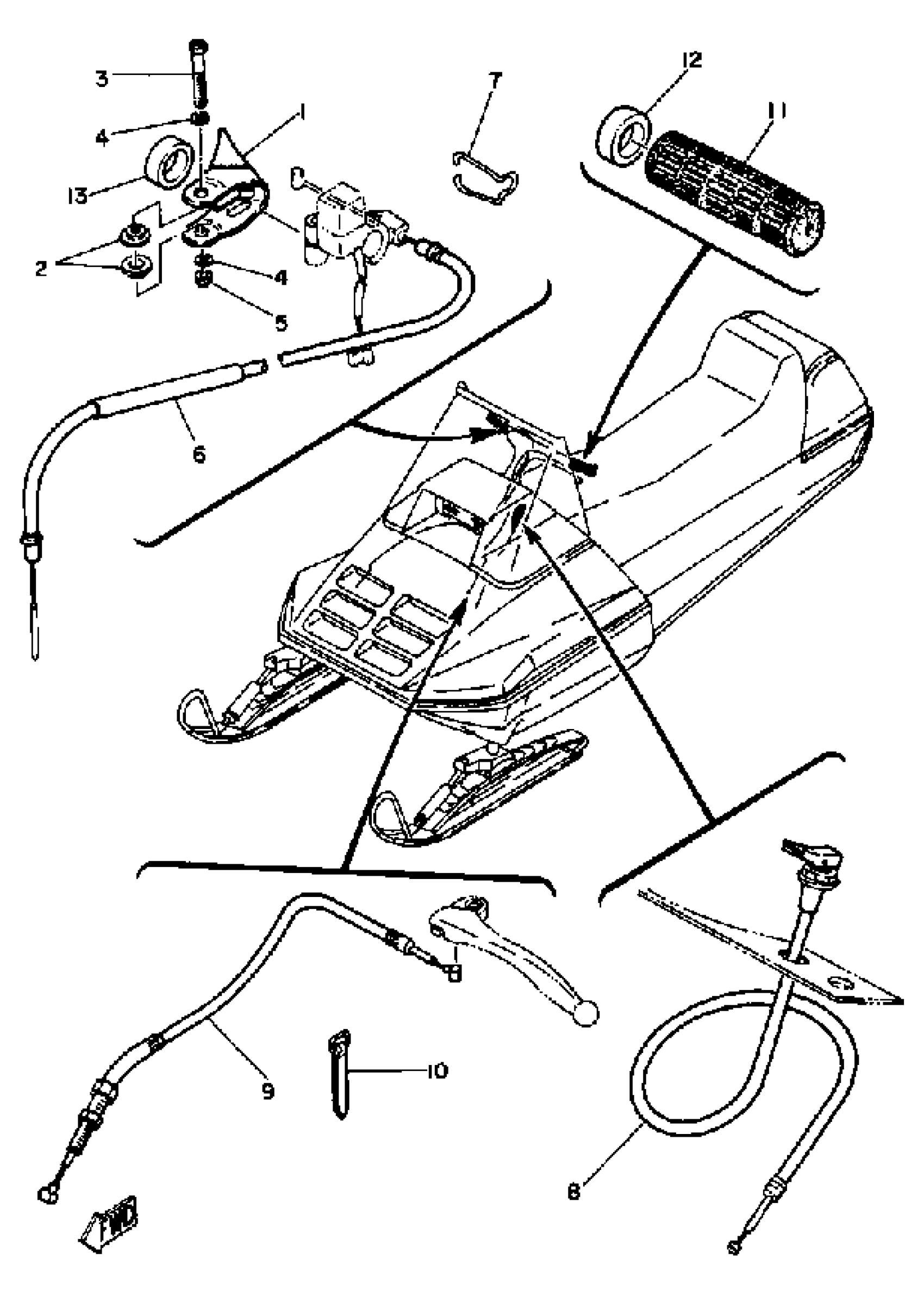
CONTROL - CABLE EC540D
#
1
8K1-42138-00-00
Unavailable
6
8K1-26311-00-00
Unavailable
7
90468-10017-00
Unavailable
8
8L7-26331-00-00
Unavailable
9
8H8-26340-00-00
Unavailable
10
341-26397-01-00
Unavailable
12
90387-22647-00
Unavailable
13
90387-22726-00
Unavailable
Edit ride
