- Partiron
- OEM Parts
- Yamaha
- snowmobile
- 1979
- EC540C 1979
C - D - I - MAGNETO EC540C
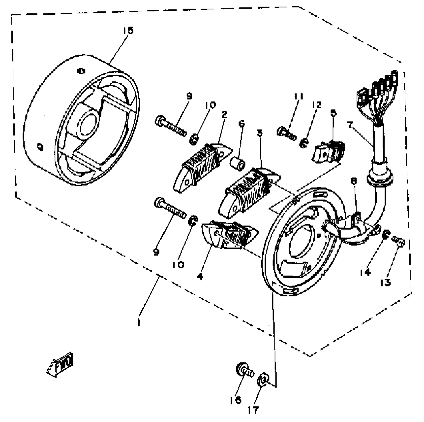
Yamaha EC540C 1979 C - D - I - MAGNETO EC540C Diagram
#
Description
Price
1
CDI MAGNETO ASSEMBLY
(8H8-85500-20-00)
Unavailable
2
. COIL SOURCE 1
8H4-85511-20-00
Unavailable
3
. COIL, CHARGE
8H5-85541-20-00
Unavailable
4
. COIL, LIGHTING 1
8H8-85513-20-00
Unavailable
5
. COIL, PULSER (8G8-85580-20)
8H4-85580-20-00
Unavailable
6
. SPACER
8G8-85519-20-00
Unavailable
7
LEAD WIRE ASSEMBLY
(8H8-85515-20-00)
Unavailable
15
ROTOR ASSEMBLY
(8H8-85550-20-00)
Unavailable
16
SCREW, BIND(J39)
98980-06014-00
Unavailable
17
WASHER, PLATE 6261117600
90201-06043-00
Unavailable
