- Partiron
- OEM Parts
- Yamaha
- snowmobile
- 1988
- EC340M (EXCEL III) 1988
TRACK SUSPENSION 1
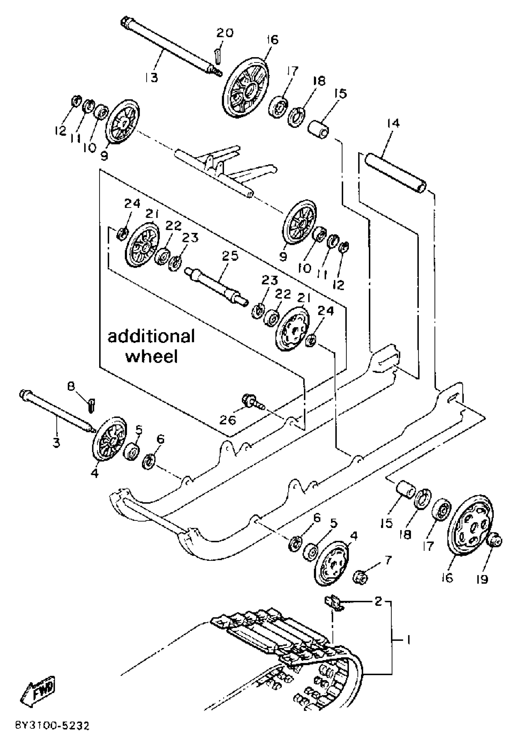
Yamaha EC340M (EXCEL III) 1988 TRACK SUSPENSION 1 Diagram
#
Description
Price
1
TRACK ASY
8J6-47110-02-00
Unavailable
2
METAL, SLIDE
8A5-47115-00-00
Unavailable
3
UNAVAILABLE IN PRICE BOOK (80X-47487-00)
90891-50016-00
Unavailable
14
COLLAR
90387-200M8-00
Unavailable
16
GUIDE WHEEL COMP.
8K2-47530-00-00
Unavailable
17
BRG,R-B 62042RS 47MM 110G KY
93306-20417-00
Unavailable
18
CIRCLIP(48Y)
99009-47500-00
Unavailable
25
SHAFT 6
8V0-47488-00-00
Unavailable
26
BOLT, FLANGE(8AB)
95817-08020-00
Unavailable
