- Partiron
- OEM Parts
- Yamaha
- snowmobile
- 1987
- EC340L (EXCEL III) 1987
CARBURETOR
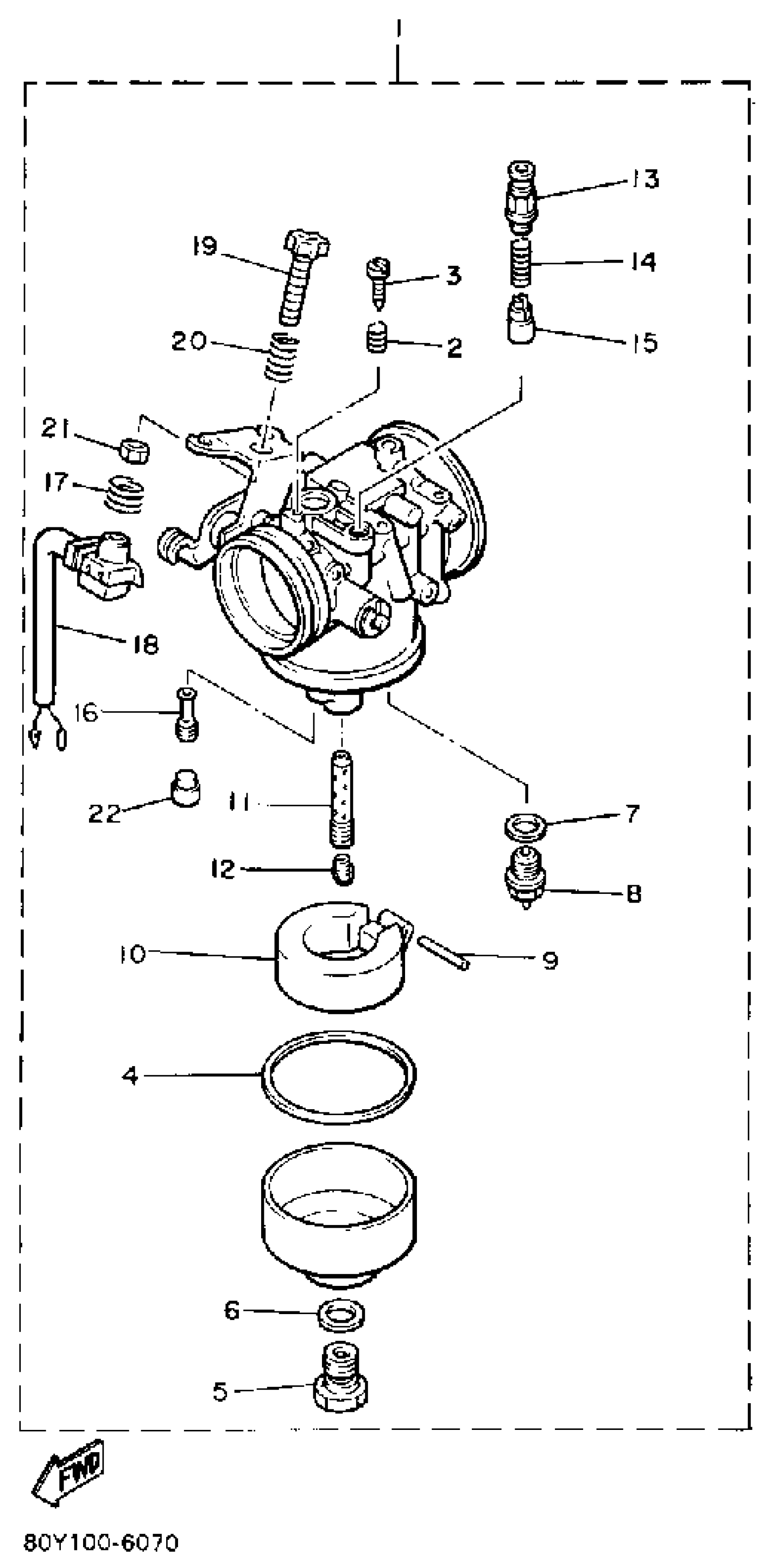
Yamaha EC340L (EXCEL III) 1987 CARBURETOR Diagram
#
Description
Price
1
CARBURETOR ASSEMBLY
8Y2-14101-02-00
Unavailable
11
. NOZZLE, MAIN
8Y2-14941-4A-00
Unavailable
12
. JET, MAIN (#1288)
8V0-1423E-51-00
Unavailable
12
JET, MAIN (#131.3)
3G2-1423E-52-00
Unavailable
13
CAP, PLUNGER
8G8-14174-00-00
Unavailable
14
SPRING, PLUNGER
127-14135-00-00
Unavailable
15
PLUNGER, STARTER
8G8-14171-00-00
Unavailable
16
JET, PILOT # 100
193-1414F-00-A1
Unavailable
17
SPRING, THROTTLE STOP
8X0-14133-00-00
Unavailable
18
SWITCH, CARBURETOR
87S-8259A-01-00
Unavailable
19
SCREW,THROTTLE
80L-14122-00-00
Unavailable
20
SPRING
8X0-14500-00-00
Unavailable
21
NUT
8X0-14358-00-00
Unavailable
22
CAP
8V0-14118-00-00
Unavailable
