- Partiron
- OEM Parts
- Yamaha
- snowmobile
- 1984
- EC340H (EXCEL III) 1984
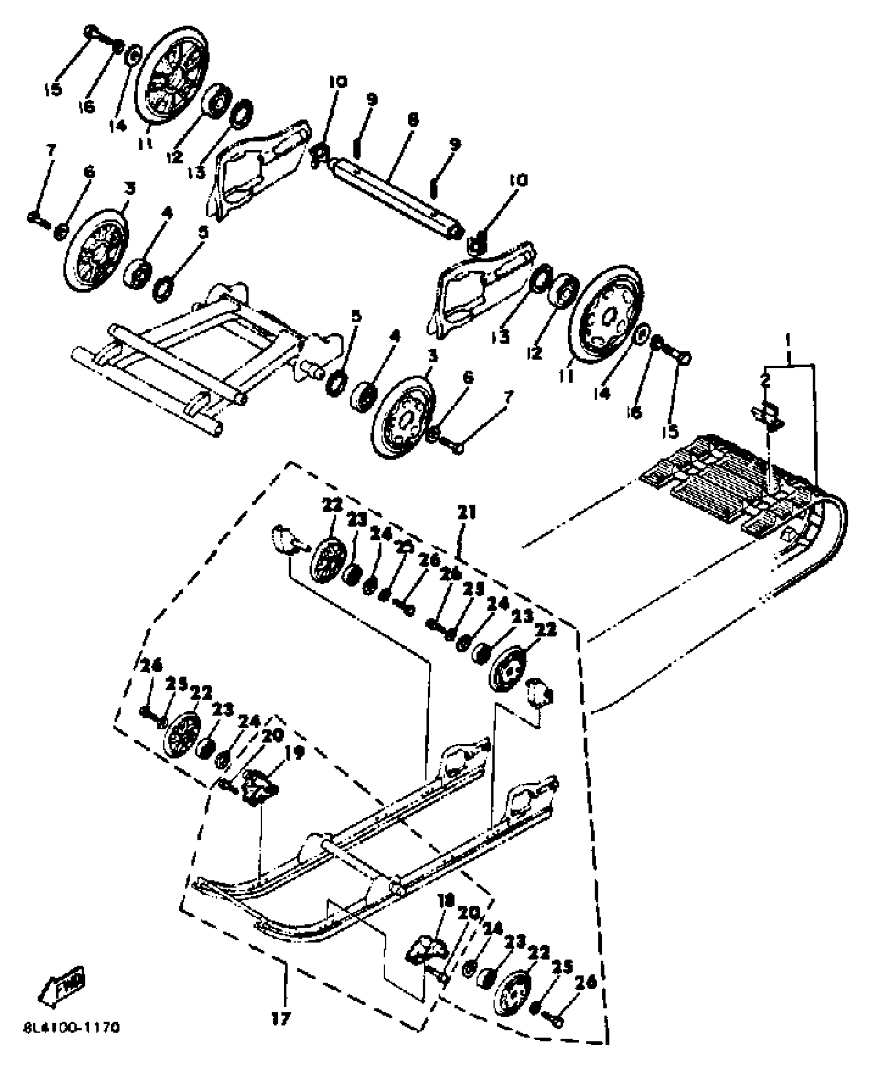
TRACK SUSPENSION 1
Yamaha EC340H (EXCEL III) 1984 TRACK SUSPENSION 1 Diagram
#
Description
Price
1
TRACK ASY
8J6-47110-02-00
Unavailable
2
METAL, SLIDE
8A5-47115-00-00
Unavailable
8
AXLE, REAR
8E3-47521-00-00
Unavailable
9
PIN, SPRING (663)
91690-40040-00
Unavailable
10
WASHER
8E3-47384-00-00
Unavailable
16
YBS67-8 WASHER, SPRING
92990-08100-00
Unavailable
17
BRACKET KIT (FRT) (ONLY)
8N5-47000-10-00
Unavailable
18
BRACKET 4
8L4-47418-00-00
Unavailable
19
. BRACKET 7
8L4-47419-00-00
Unavailable
20
BOLT(21W)
97017-06035-00
Unavailable
21
SUS.WHEEL KIT
8N5-47000-00-00
Unavailable
