- Partiron
- OEM Parts
- Yamaha
- snowmobile
- 1984
- EC340H (EXCEL III) 1984
ELECTRICAL 1
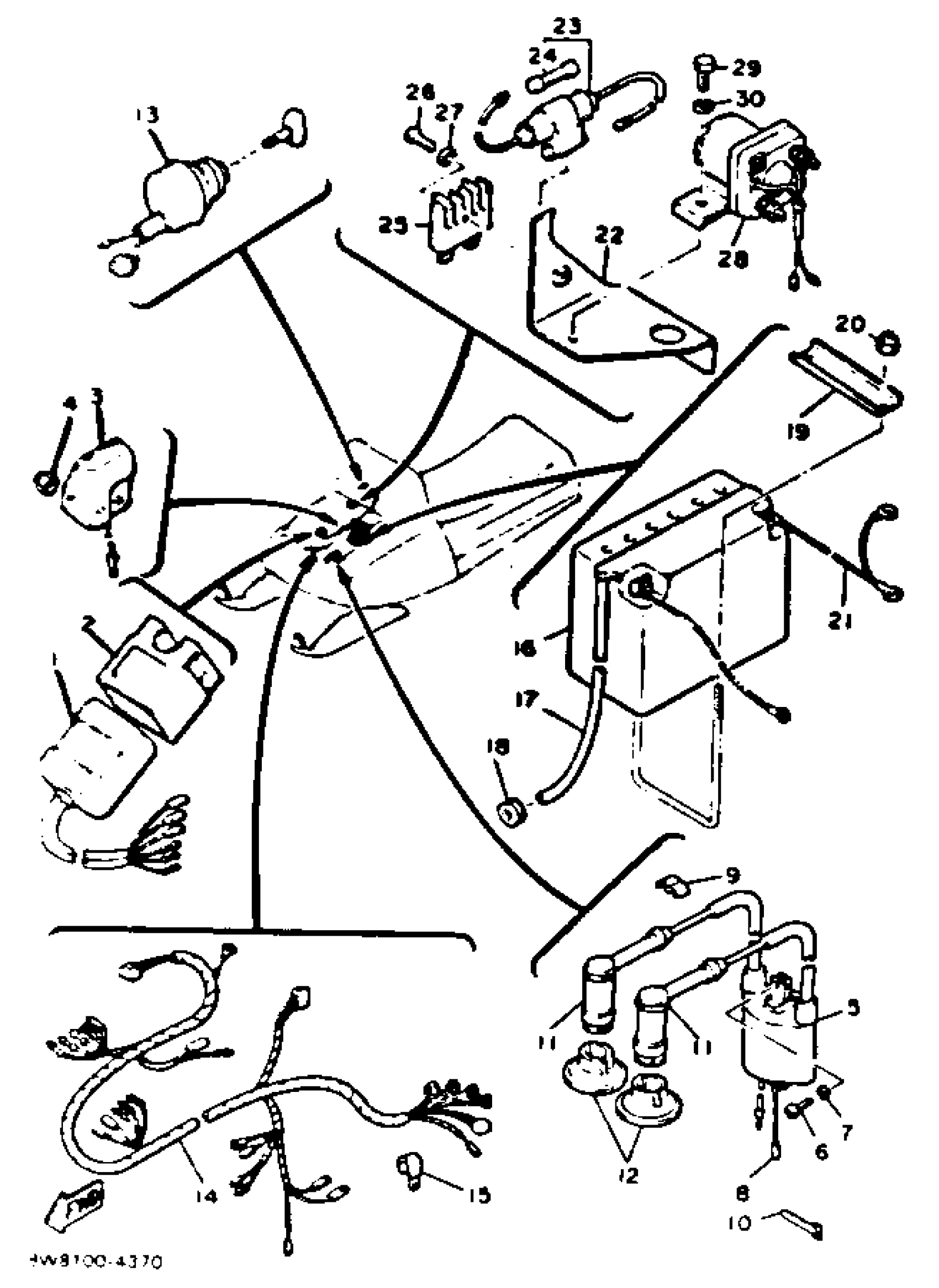
Yamaha EC340H (EXCEL III) 1984 ELECTRICAL 1 Diagram
#
Description
Price
1
CDI UNIT ASSEMBLY
8N4-85540-20-00
Unavailable
2
BAND
2A7-85546-00-00
Unavailable
5
IGNITION COIL ASSEMBLY
8W3-82310-T0-00
Unavailable
7
WASHER, SPRING
92995-06100-00
Unavailable
8
WIRE, SUB-LEAD
87D-82318-00-00
Unavailable
9
GROMMET 1
8W6-82355-00-00
Unavailable
11
PLUG CAP ASSEMBLY
8J0-82370-10-00
Unavailable
12
SEAL, PLUG CAP
8G8-82372-00-00
Unavailable
13
MAIN SWITCH ASY
8J9-82510-20-00
Unavailable
14
WIRE HARNESS ASSEMBLY
8W8-82590-20-00
Unavailable
15
CLAMP
90465-08028-00
Unavailable
16
YB14LA2 YUASA BATTERY
YB1-4LA20-00-00
Unavailable
17
HOSE (L340)
90445-08684-00
Unavailable
18
GROMMET 152845180000
90480-12013-00
Unavailable
19
PLATE, BATTERY FITTING
8J4-82136-00-00
Unavailable
21
WIRE PLUS LEAD
84N-82115-00-00
Unavailable
22
PLATE, RECTIFR FTNG
8W8-81975-00-00
Unavailable
23
FUSE HOLDER ASSEMBLY
2J2-82150-10-00
Unavailable
24
FUSE
682-82151-02-00
Unavailable
25
RECTIFIER ASSY (RXKING,RXS)
3HB-H1970-01-00
Unavailable
27
WASHER, SPRING
92995-06100-00
Unavailable
28
. STARTER RELAY ASSY
8J9-81940-10-00
Unavailable
29
BOLT (661)
97013-06012-00
Unavailable
30
WASHER, SPRING
92995-06100-00
Unavailable
