- Partiron
- OEM Parts
- Yamaha
- snowmobile
- 1983
- EC340G 1983
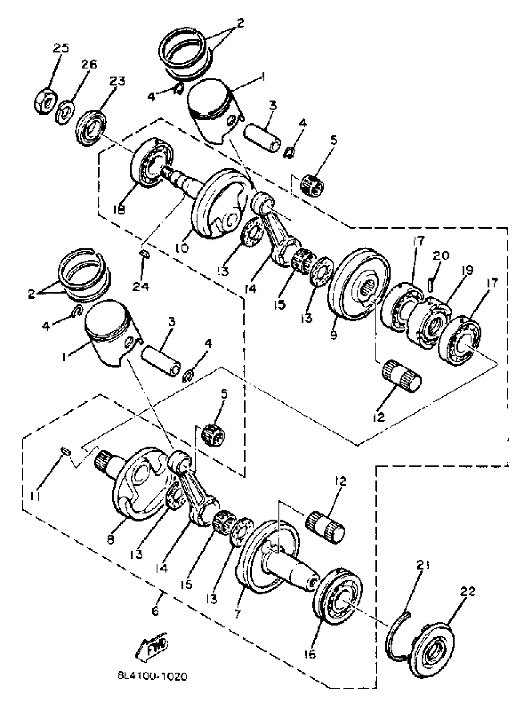
CRANKSHAFT - PISTON
Yamaha EC340G 1983 CRANKSHAFT - PISTON Diagram
#
Description
Price
1
PISTON (STD)
8G8-11631-01-96
Unavailable
1
PISTON O/S 0.25
8G8-11635-01-00
Unavailable
1
PISTON 2 O/S 0.50
8G8-11636-01-00
Unavailable
2
PISTON RING SET (0.25MM O/S)
8G8-11601-10-00
Unavailable
2
PISTON RING SET (0.50MM O/S)
8G8-11601-20-00
Unavailable
6
CRANKSHAFT ASSEMBLY
8L3-11400-00-00
Unavailable
7
. CRANK 1
8G8-11412-01-00
Unavailable
8
. CRANK 2
8L3-11422-01-00
Unavailable
9
. CRANK 3
8L3-11432-01-00
Unavailable
10
. CRANK 4
8G8-11442-01-00
Unavailable
12
PIN, CRANK
8G8-11681-00-00
Unavailable
13
WASHER (29L)
90209-22248-00
Unavailable
14
ROD, CONNECTING
34X-11651-00-00
Unavailable
15
BEARING, CYLINDRICAL(3SB)
93310-422C8-00
Unavailable
16
. BEARING (B6306)
93306-30618-00
Unavailable
17
BEARING (8G8)
93306-20617-00
Unavailable
18
BEARING
93306-30571-00
Unavailable
19
. SEAL, LABYRINTH 1
8L3-11515-01-00
Unavailable
20
PIN, SPRING (663)
91690-30010-00
Unavailable
21
CIRCLIP (1J7)
93440-72049-00
Unavailable
22
OIL SEAL, SD-TYPE
93102-30184-00
Unavailable
23
OIL SEAL (8G8)
93102-25183-00
Unavailable
24
KEY, WOODRUFF
90280-05001-00
Unavailable
25
NUT
90170-16425-00
Unavailable
26
WASHER(JN5)
92907-16100-00
Unavailable
