- Partiron
- OEM Parts
- Yamaha
- motorcycle
- 1981
- DT80H (DT80H) 1981
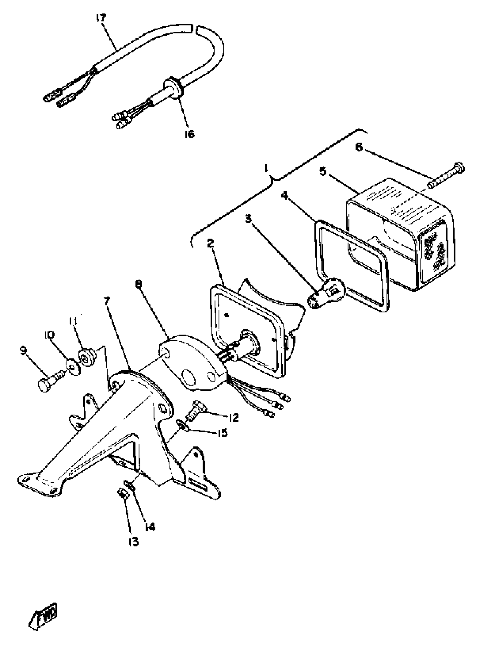
TAILLIGHT DT80H - J - K
Yamaha DT80H (DT80H) 1981 TAILLIGHT DT80H - J - K Diagram
#
Description
Price
1
. TAILLIGHT UNIT ASSEMBLY
2F4-84510-60-00
Unavailable
2
. TAILLIGHT UNIT ASSEMBLY
2F4-84510-60-00
Unavailable
3
. BULB
1M1-84514-60-00
Unavailable
7
BRACKET, LICENCE
(2F4-84551-60-33)
Unavailable
8
SEAT, BASE
1T2-84512-60-00
Unavailable
9
SCREW
1T2-84526-60-00
Unavailable
13
NUT, HEXAGON
95380-06600-00
Unavailable
14
WASHER, SPRING
92995-06100-00
Unavailable
16
GROMMET 152845180000
90480-12013-00
Unavailable
17
CORD, TAILLIGHT
(2F4-84517-00-00)
Unavailable
