- Partiron
- OEM Parts
- Yamaha
- motorcycle
- 1981
- DT80H (DT80H) 1981
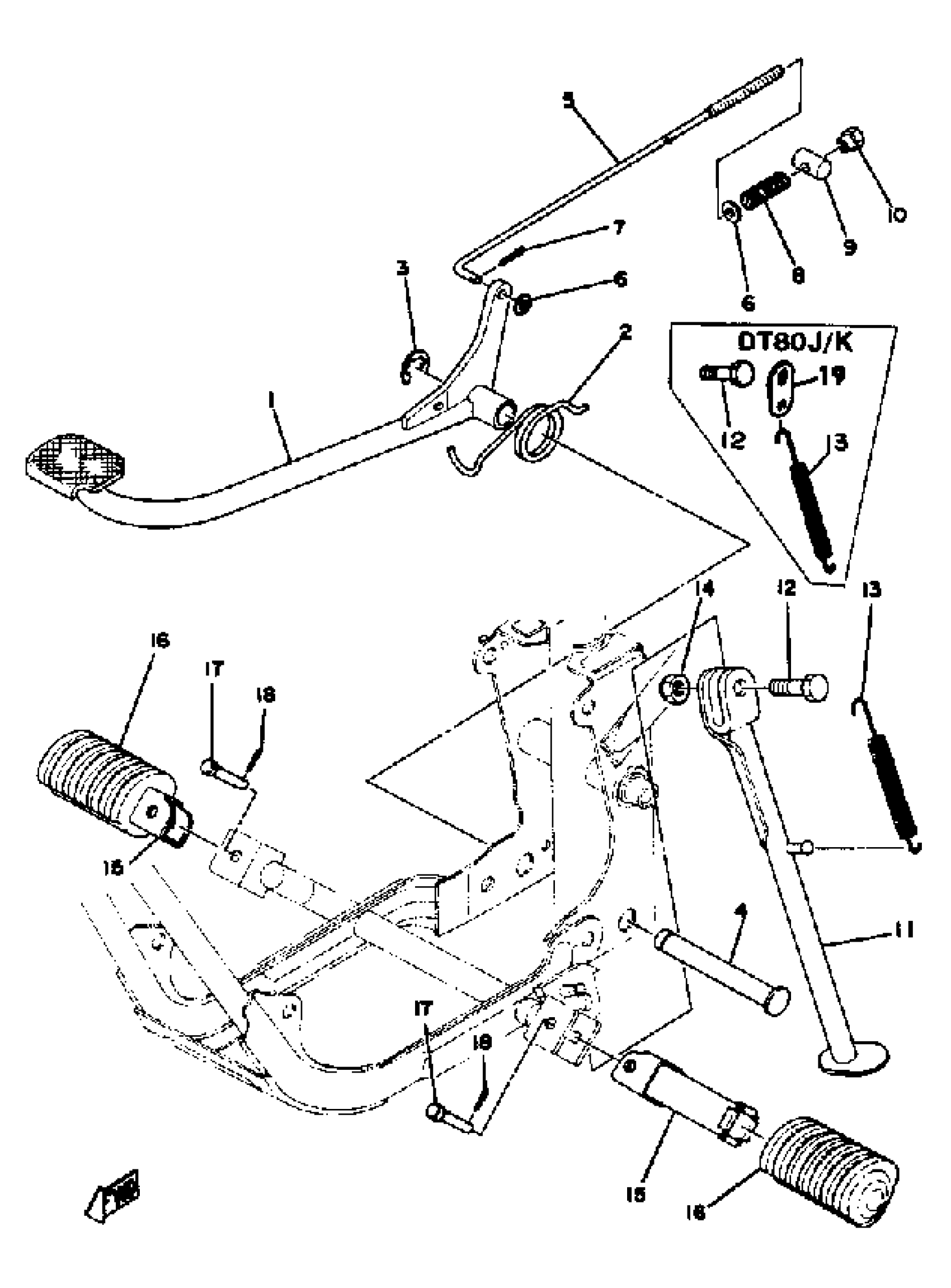
STAND - FOOTREST DT80H - J - K
Yamaha DT80H (DT80H) 1981 STAND - FOOTREST DT80H - J - K Diagram
#
Description
Price
1
PEDAL, BRAKE
2F4-27211-00-R4
Unavailable
1
PEDAL, BRAKE
2F4-27211-00-R4
Unavailable
4
SHAFT, BRAKE PEDAL
2A3-27212-00-00
Unavailable
5
ROD, BRAKE
288-27231-00-00
Unavailable
6
WASHER, PLATE
(90201-06600-00)
Unavailable
11
STAND, SIDE
367-27311-02-R4
Unavailable
11
STAND, SIDE
(3J8-27311-00-R4)
Unavailable
13
SPRING, TENSION (5N8)
90506-29266-00
Unavailable
14
NUT
90185-08055-00
Unavailable
15
FOOT REST
214-27421-00-00
Unavailable
16
COVER, FOOT REST
214-27413-00-00
Unavailable
17
PIN, CLEVIS (2A6)
91701-08038-00
Unavailable
19
LINK, SIDE STAND (3J8-27315-00)
3J8-27315-01-00
Unavailable
