- Partiron
- OEM Parts
- Yamaha
- motorcycle
- 1981
- DT80H (DT80H) 1981
INTAKE DT80H - J - K
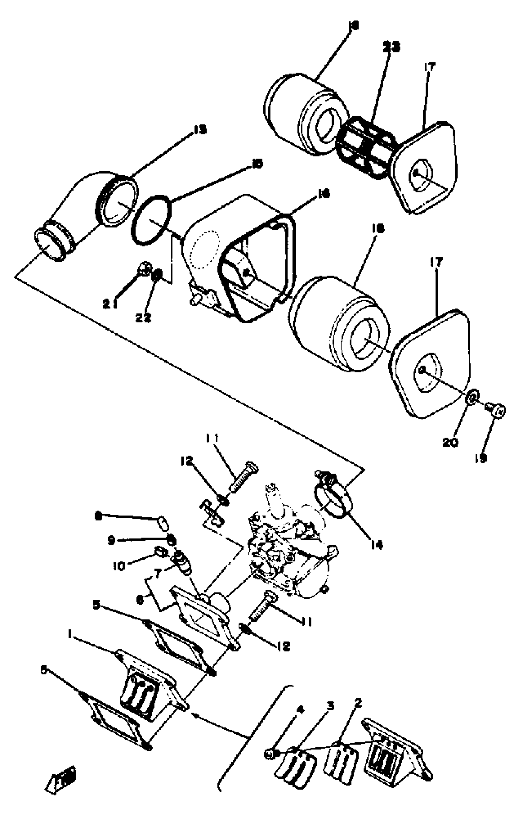
Yamaha DT80H (DT80H) 1981 INTAKE DT80H - J - K Diagram
#
Description
Price
1
REED VALVE ASSEMBLY
5G1-13610-00-00
Unavailable
2
. REED, VALVE
2A3-13613-00-00
Unavailable
3
. STOPPER, REED VALVE
5G1-13616-00-00
Unavailable
6
JOINT, CARBURETOR
(2F4-13565-00-00)
Unavailable
7
. NOZZLE
8E7-13552-00-00
Unavailable
8
CAP, JOINT
2F4-13587-00-00
Unavailable
12
WASHER, SPRING
92995-06100-00
Unavailable
14
CLAMP, HOSE
90460-33087-00
Unavailable
16
CASE, AIR CLEANER 1
3J8-14411-00-00
Unavailable
17
CAP, CLEANER CASE 1
2A3-14412-00-00
Unavailable
18
ELEMENT, AIR CLEANER
367-14451-08-00
Unavailable
19
SCREW PAN HEAD
98580-06010-00
Unavailable
20
YBS66-6 WASHER, PLAIN
92990-06200-00
Unavailable
21
NUT, HEXAGON
95380-06600-00
Unavailable
22
WASHER, SPRING
92995-06100-00
Unavailable
23
GUIDE, ELEMENT
(367-14458-01-00)
Unavailable
