- Partiron
- OEM Parts
- Yamaha
- motorcycle
- 1988
- DT50U (ENDURO) 1988
GENERATOR
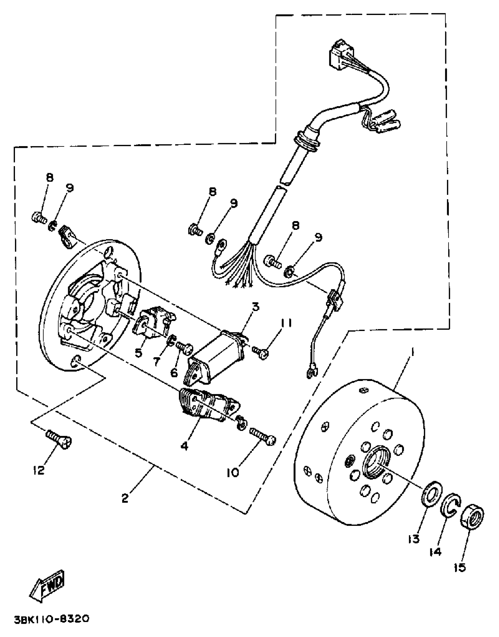
Yamaha DT50U (ENDURO) 1988 GENERATOR Diagram
#
Description
Price
1
ROTOR ASSEMBLY
3BK-85550-00-00
Unavailable
2
BASE ASSEMBLY
3BK-85560-00-00
Unavailable
3
COIL, CHARGE
4Y4-85520-M1-00
Unavailable
4
. COIL, LIGHTING 1
2RR-81313-M0-00
Unavailable
5
. COIL, PULSER
5R2-85580-M0-00
Unavailable
8
SCREW, PAN HEAD(3XP)
98517-04006-00
Unavailable
10
SCREW, PAN HEAD
98517-04025-00
Unavailable
11
SCREW, PAN HEAD
98511-04012-00
Unavailable
