- Partiron
- OEM Parts
- Yamaha
- motorcycle
- 1988
- DT50LC (DT50W) 1988
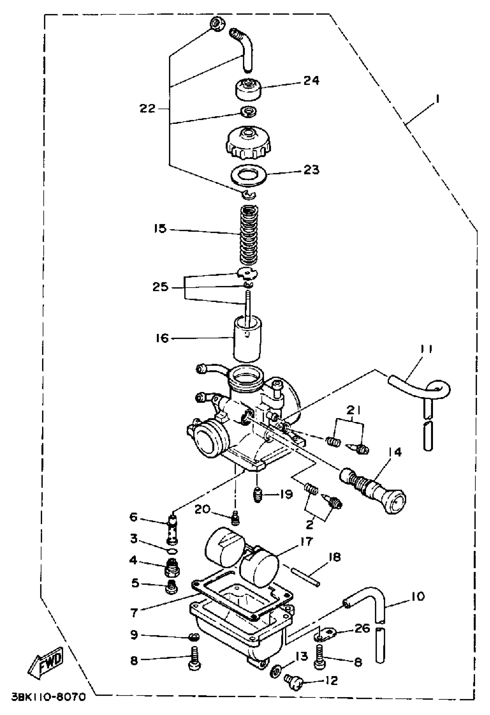
CARBURETOR
Yamaha DT50LC (DT50W) 1988 CARBURETOR Diagram
#
Description
Price
1
CARBURETOR ASSY 1
17W-14101-10-00
Unavailable
4
. SETTER, NEEDLE JET
4A5-14145-00-00
Unavailable
5
. JET, MAIN #95
127-14143-19-00
Unavailable
5
. JET, MAIN #105
127-14143-21-00
Unavailable
6
. NOZZLE, MAIN
4U5-14141-78-00
Unavailable
7
GASKET, FLOAT CHAMBER
353-14184-00-00
Unavailable
14
PLUNGER, STARTER
4U5-14171-00-00
Unavailable
15
. SPRING, THRTL VALVE
5L6-14131-00-00
Unavailable
16
VALVE,THROTTLE 1
4EU-14112-20-00
Unavailable
17
FLOAT
4U5-14185-00-00
Unavailable
18
PIN, FLOAT
353-14186-00-00
Unavailable
19
NEEDLE VALVE ASSY
3L5-14190-01-00
Unavailable
20
JET, PILOT (# 22.5)
260-14142-22-A0
Unavailable
21
AIR SCREW SET
36R-14104-00-00
Unavailable
22
CABLE ADJUST SCREW SET
10X-14106-00-00
Unavailable
23
GASKET
4U5-14126-00-00
Unavailable
24
CAP
3X3-14169-00-00
Unavailable
25
. NEEDLE SET
10X-1490J-00-00
Unavailable
26
PLATE
132-14146-00-00
Unavailable
