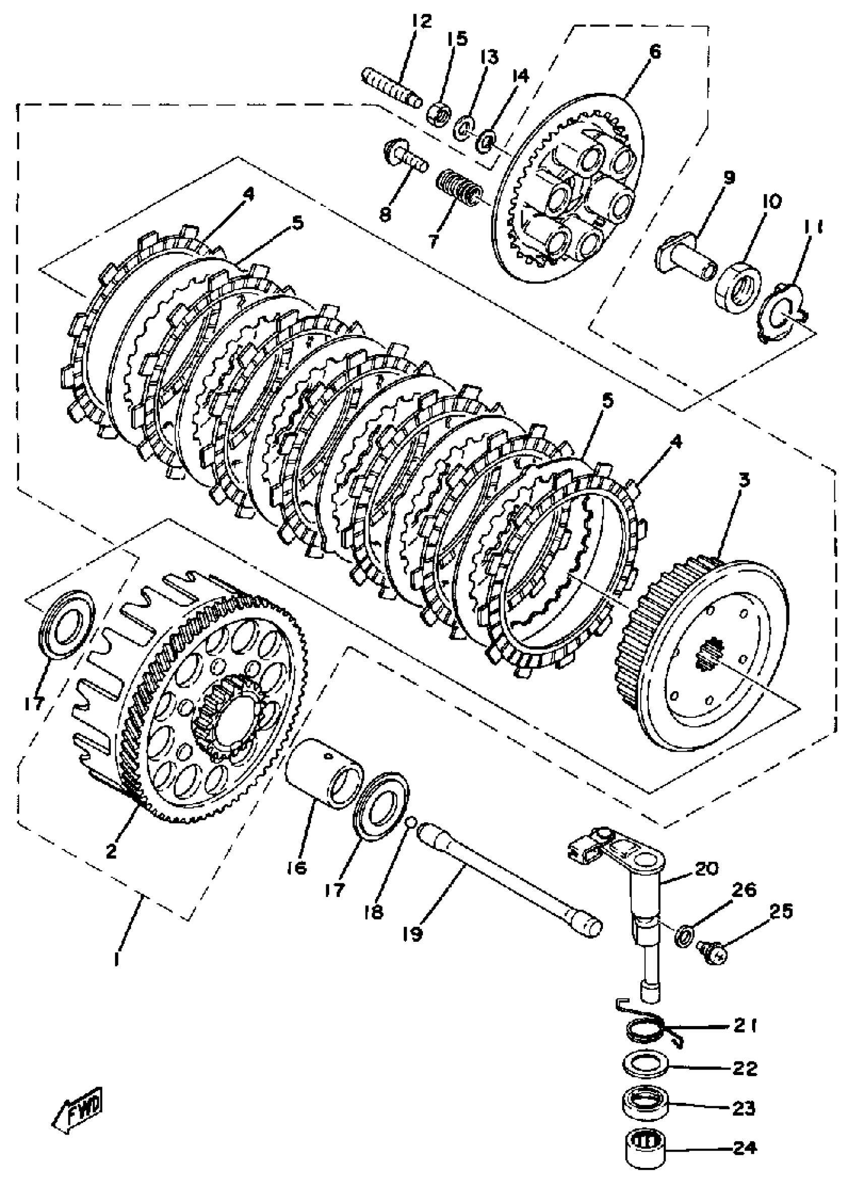
Yamaha DT400E (DT400E) 1978 CLUTCH Diagram
#
Description
Price
1
CLUTCH ASSEMBLY
(2N6-16300-00-00)
Unavailable
2
PRI DRIVEN GEAR
(2N6-16150-00-00)
Unavailable
3
. BOSS, CLUTCH
509-16371-01-00
Unavailable
4
PLATE, FRICTION
363-16321-09-00
Unavailable
6
. PLATE, PRESSURE 1
1M1-16351-00-00
Unavailable
7
SPRING, COMPRESSION
90501-234L3-00
Unavailable
9
ROD, PUSH 1
1M1-16356-00-00
Unavailable
11
WASHER, LOCK (3Y1)
90215-20159-00
Unavailable
12
SCREW, SPECIAL SHAPE
90149-08105-00
Unavailable
13
WASHER, PLAIN
92990-08200-00
Unavailable
16
SPACER 1
1M1-16181-00-00
Unavailable
17
PLATE, THRUST
360-16154-00-00
Unavailable
18
BALL (1M1)
93515-32029-00
Unavailable
19
ROD, PUSH 2
1M1-16357-00-00
Unavailable
20
PUSH LEVER ASSEMBLY
1W4-16380-00-00
Unavailable
21
SPRING, TORSION
90508-14360-00
Unavailable
22
WASHER PLATE 168217580000
90201-18262-00
Unavailable
23
OIL SEAL (17X28X6-101)
93102-17004-00
Unavailable
24
BRG,CYL-CAL ROLLER 10G KY
93315-11720-00
Unavailable
25
SCREW (1M1)
90149-08108-00
Unavailable
26
GASKET(3AJ)
90430-08204-00
Unavailable
