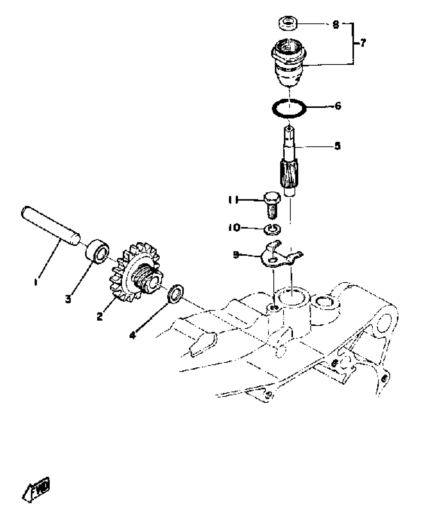
TACHOMETER GEAR 250B - C - 400B - C
#
1
(438-17861-00-00)
Unavailable
2
(438-17831-00-00)
Unavailable
4
248-17837-00-00
Unavailable
5
214-17841-01-00
Unavailable
7
438-17811-01-00
Unavailable
8
93104-07036-00
Unavailable
9
438-17812-00-00
Unavailable
10
92995-06100-00
Unavailable
Edit ride
